lemon-mirror:
Home >> Toyota >> 2006 >> Camry Base, Automatic >> Repair and Diagnosis >> Electrical >> Body Electrical >> OEM System Circuits >> Charging >> Notes

OEM System Circuits: Charging: Notes

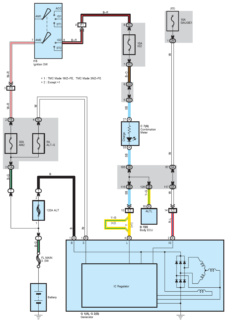
Fig 1: Charging System Wiring Diagram
G08775556Courtesy of © TOYOTA, LICENSE AGREEMENT TMS1002