lemon-mirror:
Home >> Toyota >> 2006 >> Camry Base, Automatic >> Repair and Diagnosis >> Electrical >> Body Electrical >> OEM System Circuits >> Clock >> Notes

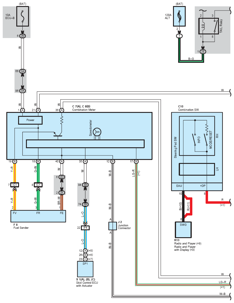
OEM System Circuits: Clock: Notes

Fig 1: Clock System Wiring Diagram (1 Of 2)
G08775654Courtesy of © TOYOTA, LICENSE AGREEMENT TMS1002
Fig 2: Clock System Wiring Diagram (2 Of 2)
G08775655Courtesy of © TOYOTA, LICENSE AGREEMENT TMS1002