lemon-mirror:
Home >> Toyota >> 2006 >> Camry Base, Automatic >> Repair and Diagnosis >> Electrical >> Body Electrical >> OEM System Circuits >> Engine Control for 2AZ-FE >> Notes

Engine Control for 2AZ-FE: Notes

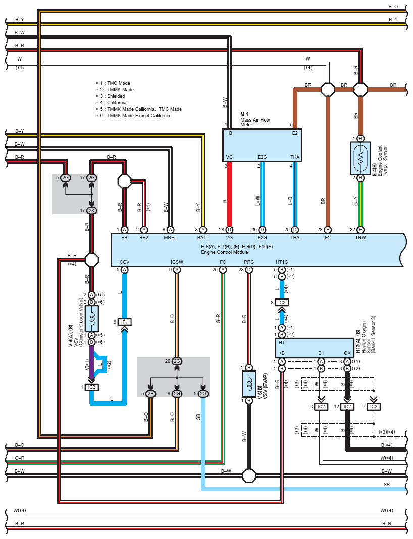
Fig 1: Engine Control System Wiring Diagram (2AZ-FE; 1 Of 8)
G08775564Courtesy of © TOYOTA, LICENSE AGREEMENT TMS1002
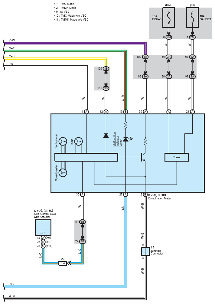
Fig 2: Engine Control System Wiring Diagram (2AZ-FE; 2 Of 8)
G08775565Courtesy of © TOYOTA, LICENSE AGREEMENT TMS1002
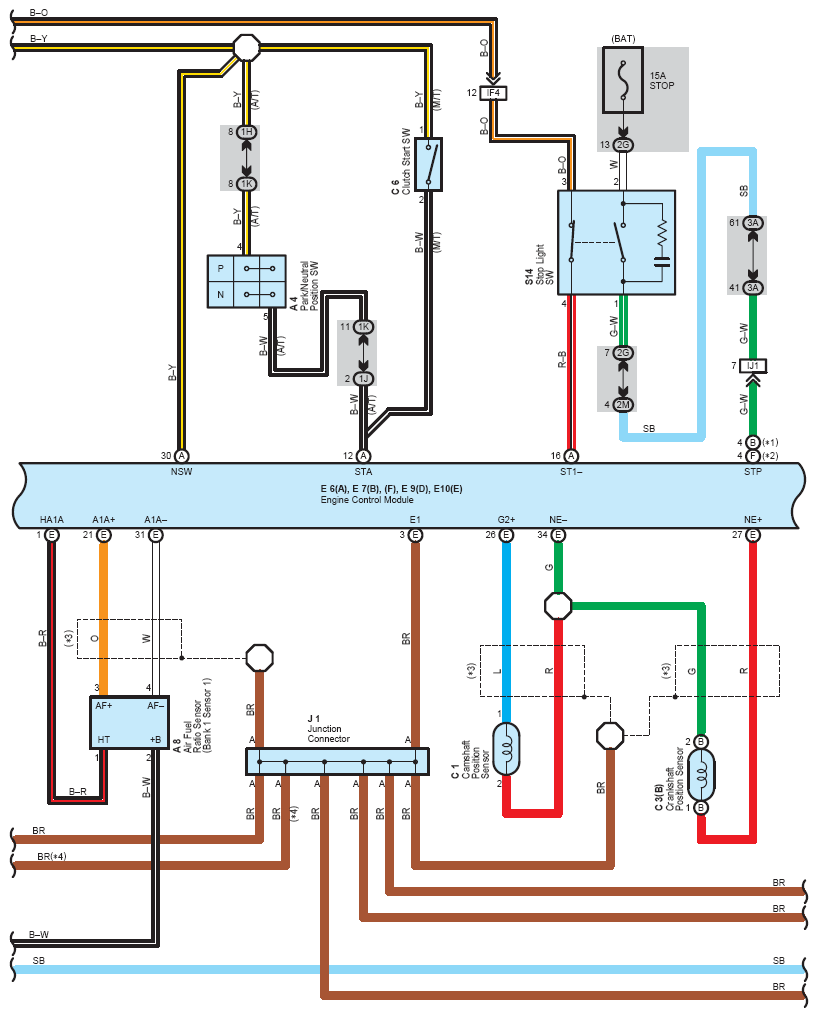
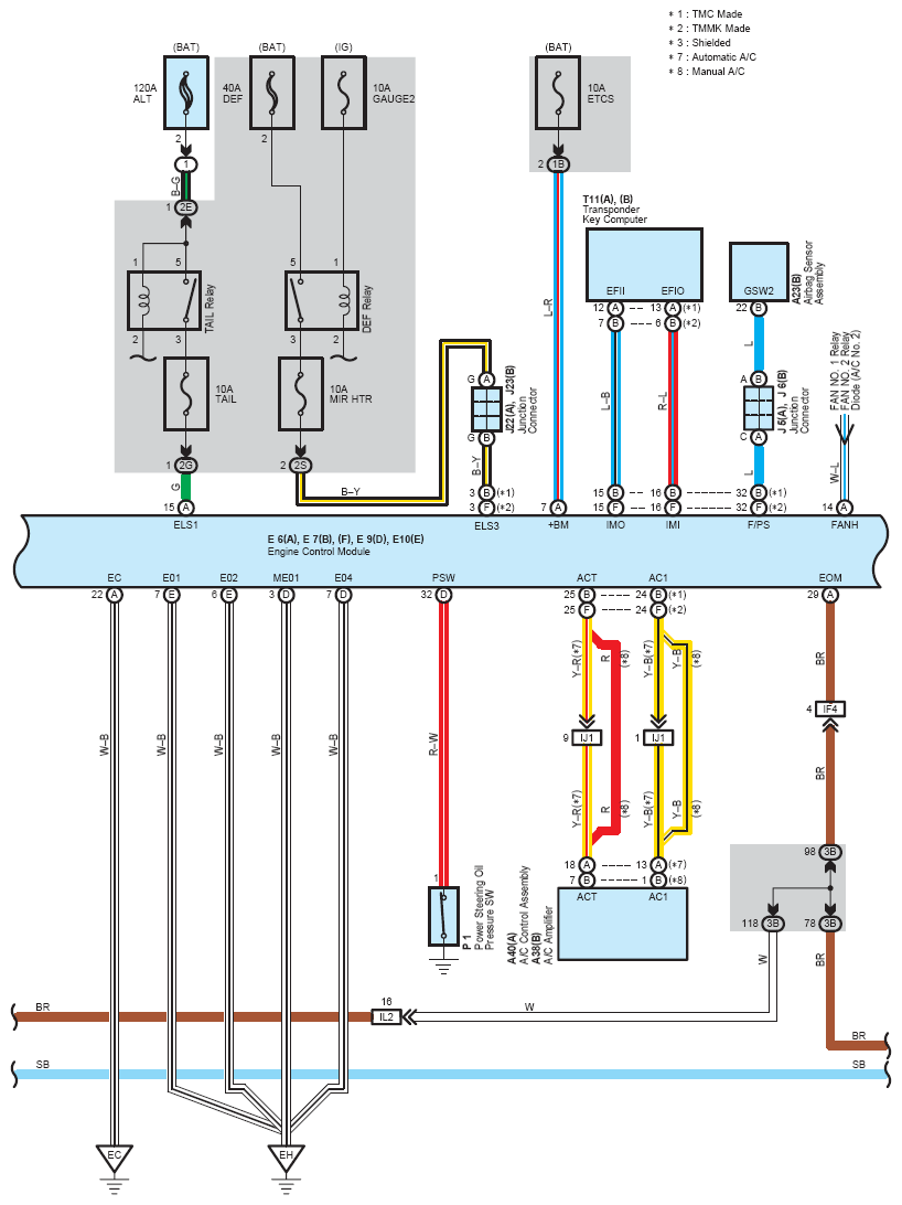
Fig 3: Engine Control System Wiring Diagram (2AZ-FE; 3 Of 8)
G08775566Courtesy of © TOYOTA, LICENSE AGREEMENT TMS1002
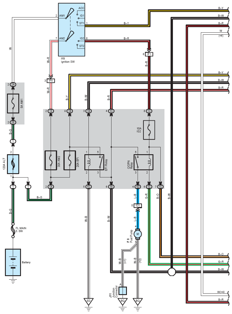
Fig 4: Engine Control System Wiring Diagram (2AZ-FE; 4 Of 8)
G08775567Courtesy of © TOYOTA, LICENSE AGREEMENT TMS1002
Fig 5: Engine Control System Wiring Diagram (2AZ-FE; 5 Of 8)
G08775568Courtesy of © TOYOTA, LICENSE AGREEMENT TMS1002
Fig 6: Engine Control System Wiring Diagram (2AZ-FE; 6 Of 8)
G08775569Courtesy of © TOYOTA, LICENSE AGREEMENT TMS1002
Fig 7: Engine Control System Wiring Diagram (2AZ-FE; 7 Of 8)
G08775570Courtesy of © TOYOTA, LICENSE AGREEMENT TMS1002
Fig 8: Engine Control System Wiring Diagram (2AZ-FE; 8 Of 8)
G08775571Courtesy of © TOYOTA, LICENSE AGREEMENT TMS1002