lemon-mirror:
Home >> Toyota >> 2006 >> Camry Base, Automatic >> Repair and Diagnosis >> Electrical >> Body Electrical >> OEM System Circuits >> Engine Immbiliser System >> Notes

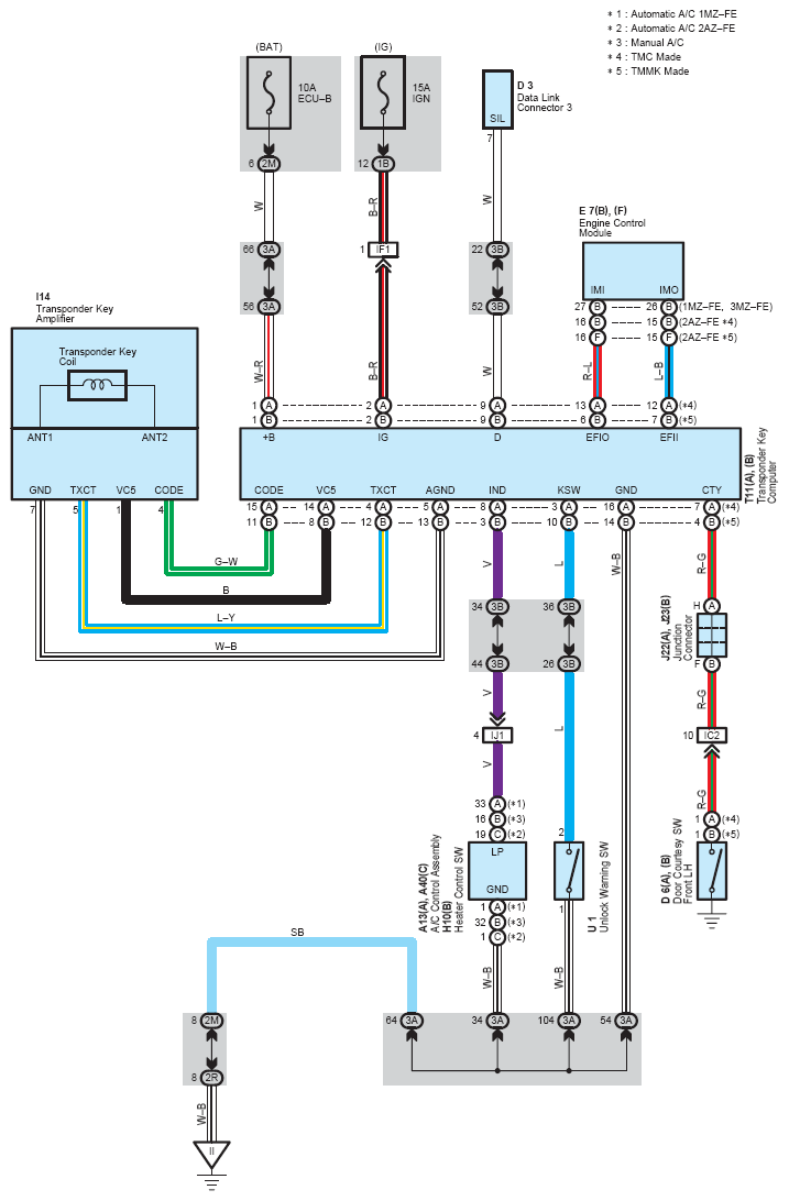
Engine Immbiliser System: Notes

Fig 1: Engine Immbiliser System Wiring Diagram
G08775572Courtesy of © TOYOTA, LICENSE AGREEMENT TMS1002