lemon-mirror:
Home >> Toyota >> 2006 >> Camry Base, Automatic >> Repair and Diagnosis >> Electrical >> Body Electrical >> OEM System Circuits >> Navigation and Audio System >> Notes

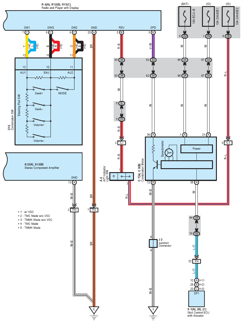
Navigation and Audio System: Notes

Fig 1: Navigation And Audio System Wiring Diagram (1 Of 2)
G08775656Courtesy of © TOYOTA, LICENSE AGREEMENT TMS1002
Fig 2: Navigation And Audio System Wiring Diagram (2 Of 2)
G08775657Courtesy of © TOYOTA, LICENSE AGREEMENT TMS1002