lemon-mirror:
Home >> Toyota >> 2006 >> Camry Base, Automatic >> Repair and Diagnosis >> Electrical >> Body Electrical >> OEM System Circuits >> Power Adjustable Pedals >> Notes

Power Adjustable Pedals: Notes

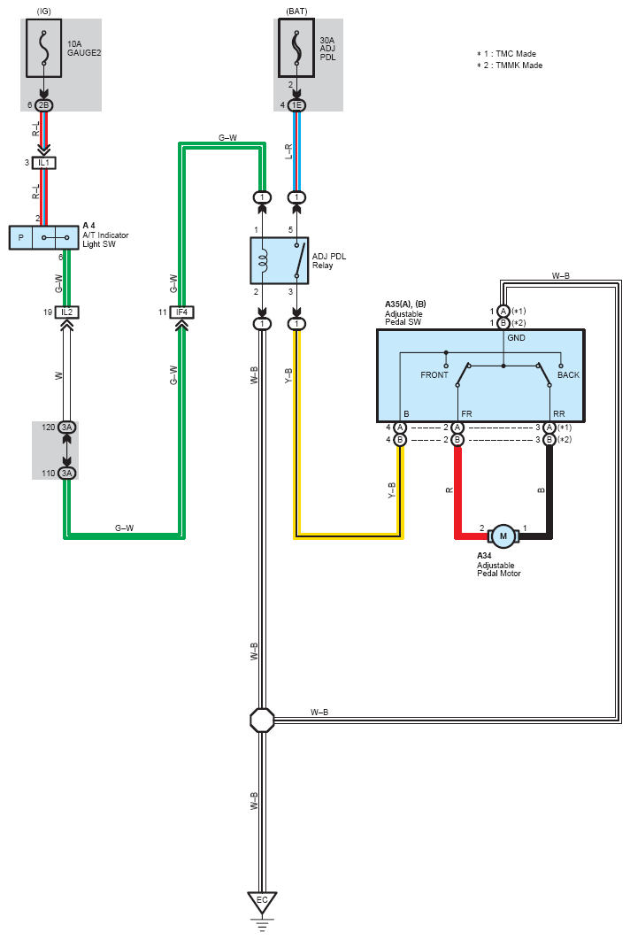
Fig 1: Power Adjustable Pedals System Wiring Diagram
G08775653Courtesy of © TOYOTA, LICENSE AGREEMENT TMS1002