lemon-mirror:
Home >> Toyota >> 2006 >> Corolla LE, Automatic >> Repair and Diagnosis >> Electrical >> Body Electrical >> OEM System Circuits >> Clock >> Notes

OEM System Circuits: Clock: Notes

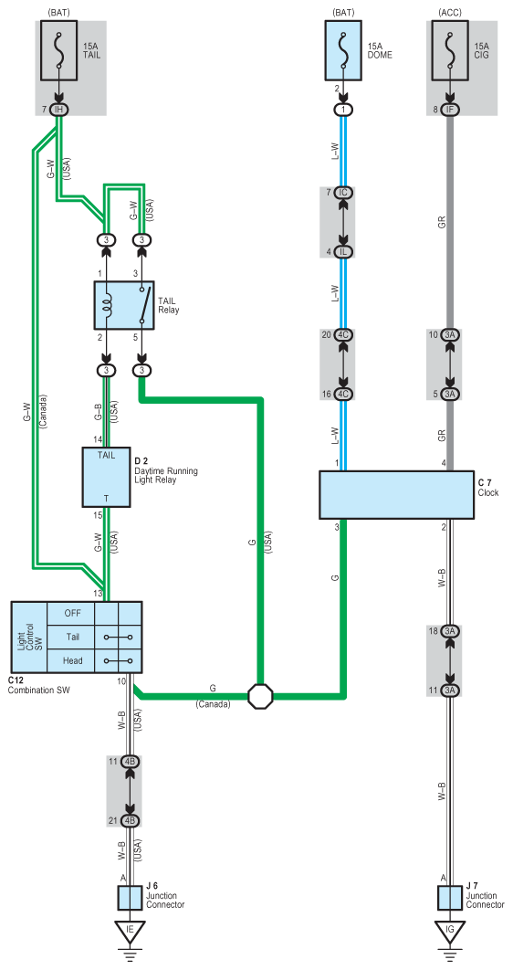
Fig 1: Clock System Wiring Diagram
G08779690Courtesy of © TOYOTA, LICENSE AGREEMENT TMS1002