lemon-mirror:
Home >> Toyota >> 2006 >> Corolla LE, Automatic >> Repair and Diagnosis >> Electrical >> Body Electrical >> OEM System Circuits >> Engine Immobiliser System >> Notes

Engine Immobiliser System: Notes

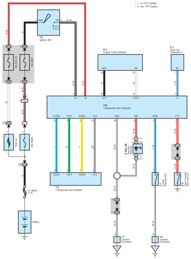
Fig 1: Engine Immobiliser System Wiring Diagram
G08779672Courtesy of © TOYOTA, LICENSE AGREEMENT TMS1002