lemon-mirror:
Home >> Toyota >> 2006 >> Corolla LE, Automatic >> Repair and Diagnosis >> Electrical >> Body Electrical >> OEM System Circuits >> Fog Light >> Notes

Fog Light: Notes

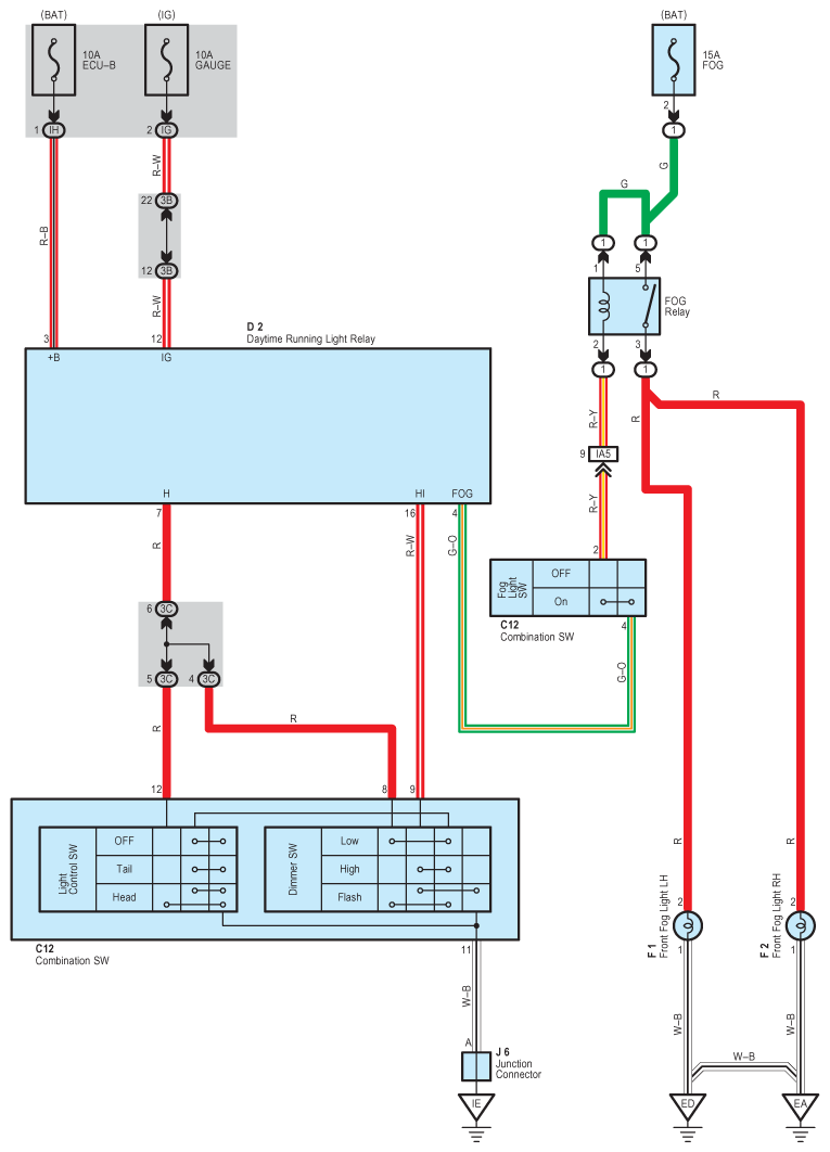
Fig 1: Fog Light System Wiring Diagram
G08779676Courtesy of © TOYOTA, LICENSE AGREEMENT TMS1002