lemon-mirror:
Home >> Toyota >> 2006 >> Corolla LE, Automatic >> Repair and Diagnosis >> Electrical >> Body Electrical >> OEM System Circuits >> Rear Window Defogger >> Notes

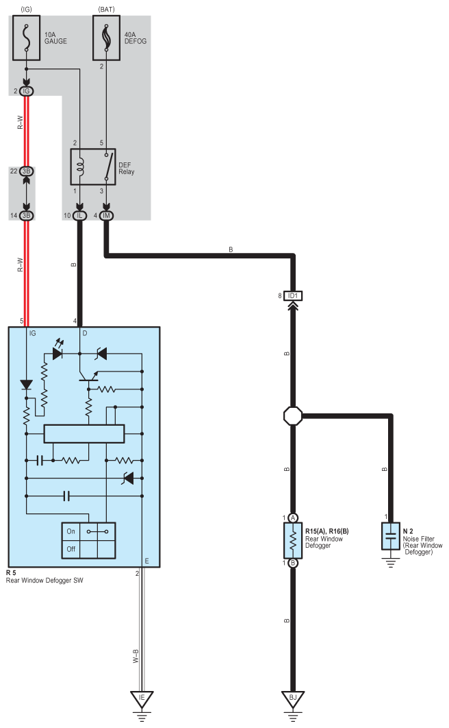
Rear Window Defogger: Notes

Fig 1: Rear Window Defogger System Wiring Diagram
G08779734Courtesy of © TOYOTA, LICENSE AGREEMENT TMS1002