lemon-mirror:
Home >> Toyota >> 2006 >> Corolla LE, Automatic >> Repair and Diagnosis >> Electrical >> Body Electrical >> OEM System Circuits >> Taillight >> Notes

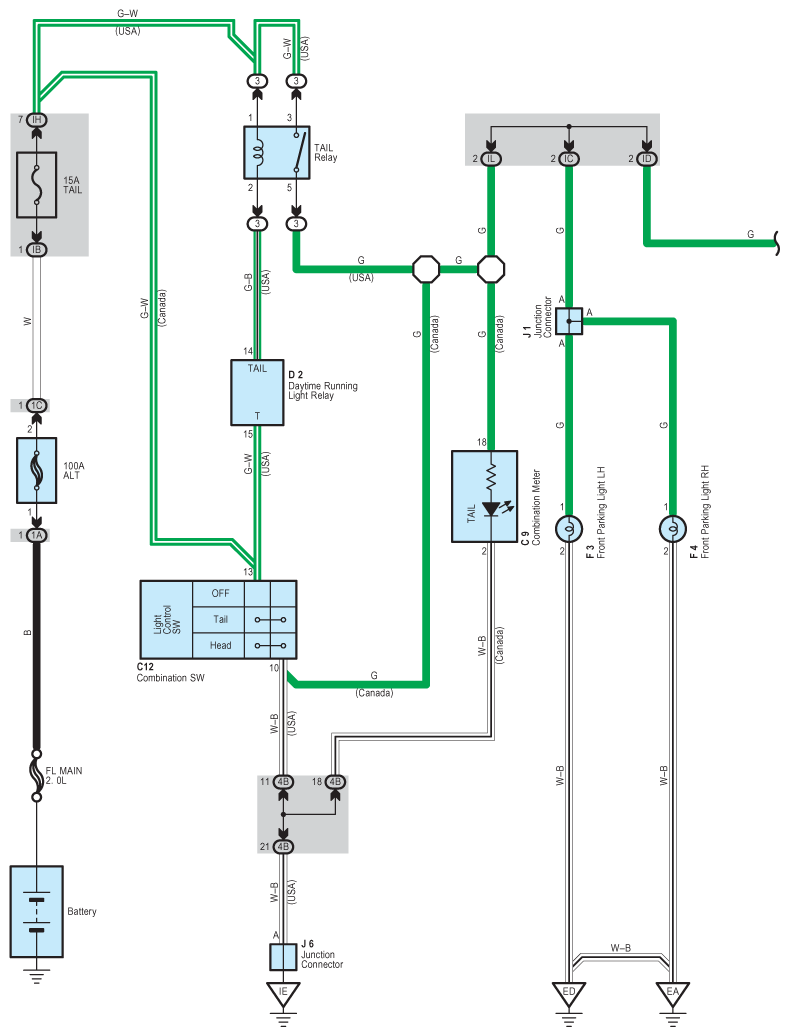
OEM System Circuits: Taillight: Notes

Fig 1: Taillight System Wiring Diagram (1 Of 2)
G08779679Courtesy of © TOYOTA, LICENSE AGREEMENT TMS1002
Fig 2: Taillight System Wiring Diagram (2 Of 2)
G08779680Courtesy of © TOYOTA, LICENSE AGREEMENT TMS1002