lemon-mirror:
Home >> Toyota >> 2006 >> Land Cruiser >> Repair and Diagnosis >> Electrical >> Body Electrical >> OEM System Circuits >> Audio System without Navigation System >> Notes

Audio System without Navigation System: Notes

Fig 1: Audio System (Without Navigation) Wiring Diagram (1 Of 4)
G08794051Courtesy of © TOYOTA, LICENSE AGREEMENT TMS1002
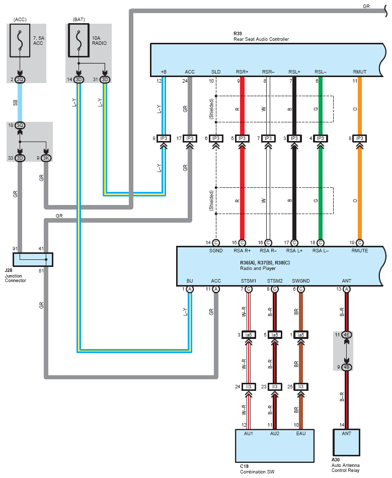
Fig 2: Audio System (Without Navigation) Wiring Diagram (2 Of 4)
G08794052Courtesy of © TOYOTA, LICENSE AGREEMENT TMS1002
Fig 3: Audio System (Without Navigation) Wiring Diagram (3 Of 4)
G08794053Courtesy of © TOYOTA, LICENSE AGREEMENT TMS1002
Fig 4: Audio System (Without Navigation) Wiring Diagram (4 Of 4)
G08794054Courtesy of © TOYOTA, LICENSE AGREEMENT TMS1002