lemon-mirror:
Home >> Toyota >> 2006 >> Land Cruiser >> Repair and Diagnosis >> Electrical >> Body Electrical >> OEM System Circuits >> Center Differential Lock >> Notes

Center Differential Lock: Notes

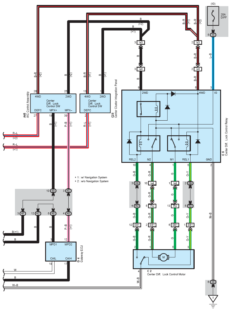
Fig 1: Center Differential Lock System Wiring Diagram (1 Of 3)
G08793999Courtesy of © TOYOTA, LICENSE AGREEMENT TMS1002
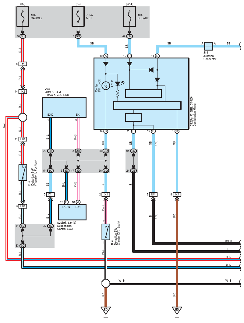
Fig 2: Center Differential Lock System Wiring Diagram (2 Of 3)
G08794000Courtesy of © TOYOTA, LICENSE AGREEMENT TMS1002
Fig 3: Center Differential Lock System Wiring Diagram (3 Of 3)
G08794001Courtesy of © TOYOTA, LICENSE AGREEMENT TMS1002