lemon-mirror:
Home >> Toyota >> 2006 >> Land Cruiser >> Repair and Diagnosis >> Electrical >> Body Electrical >> OEM System Circuits >> Key Reminder >> Notes

Key Reminder: Notes

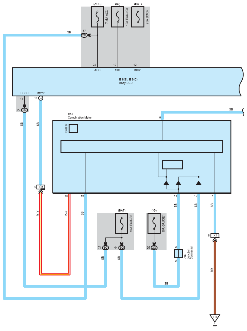
Fig 1: Key Reminder System Wiring Diagram (1 Of 2)
G08794040Courtesy of © TOYOTA, LICENSE AGREEMENT TMS1002
Fig 2: Key Reminder System Wiring Diagram (2 Of 2)
G08794041Courtesy of © TOYOTA, LICENSE AGREEMENT TMS1002