lemon-mirror:
Home >> Toyota >> 2006 >> Land Cruiser >> Repair and Diagnosis >> Electrical >> Body Electrical >> OEM System Circuits >> Rear Window Defogger >> Notes

Rear Window Defogger: Notes

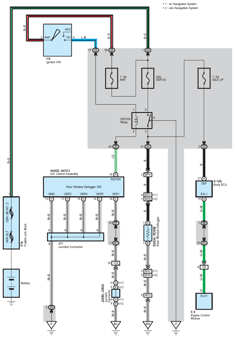
Fig 1: Rear Window Defogger System Wiring Diagram
G08794038Courtesy of © TOYOTA, LICENSE AGREEMENT TMS1002