lemon-mirror:
Home >> Toyota >> 2006 >> Land Cruiser >> Repair and Diagnosis >> Electrical >> Body Electrical >> OEM System Circuits >> Wireless Door Lock Control >> Notes

Wireless Door Lock Control: Notes

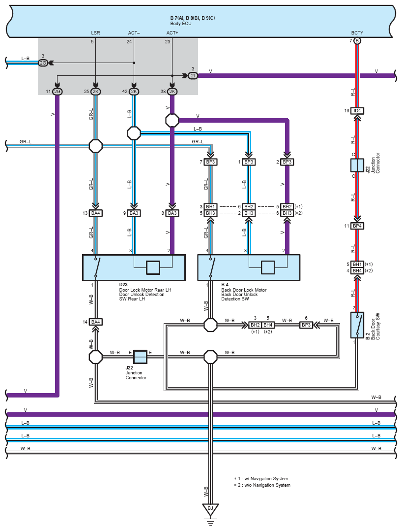
Fig 1: Wireless Door Lock Control System Wiring Diagram (1 Of 7)
G08794014Courtesy of © TOYOTA, LICENSE AGREEMENT TMS1002
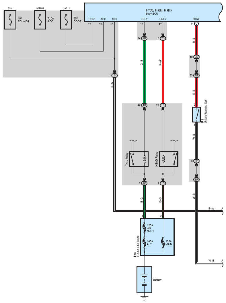
Fig 2: Wireless Door Lock Control System Wiring Diagram (2 Of 7)
G08794015Courtesy of © TOYOTA, LICENSE AGREEMENT TMS1002
Fig 3: Wireless Door Lock Control System Wiring Diagram (3 Of 7)
G08794016Courtesy of © TOYOTA, LICENSE AGREEMENT TMS1002
Fig 4: Wireless Door Lock Control System Wiring Diagram (4 Of 7)
G08794017Courtesy of © TOYOTA, LICENSE AGREEMENT TMS1002
Fig 5: Wireless Door Lock Control System Wiring Diagram (5 Of 7)
G08794018Courtesy of © TOYOTA, LICENSE AGREEMENT TMS1002
Fig 6: Wireless Door Lock Control System Wiring Diagram (6 Of 7)
G08794019Courtesy of © TOYOTA, LICENSE AGREEMENT TMS1002
Fig 7: Wireless Door Lock Control System Wiring Diagram (7 Of 7)
G08794020Courtesy of © TOYOTA, LICENSE AGREEMENT TMS1002