lemon-mirror:
Home >> Toyota >> 2006 >> Land Cruiser >> Repair and Diagnosis >> Engine Performance >> System >> Engine Control System - System And Component Testing >> EVAP System (2006/01-) >> Wiring Diagram

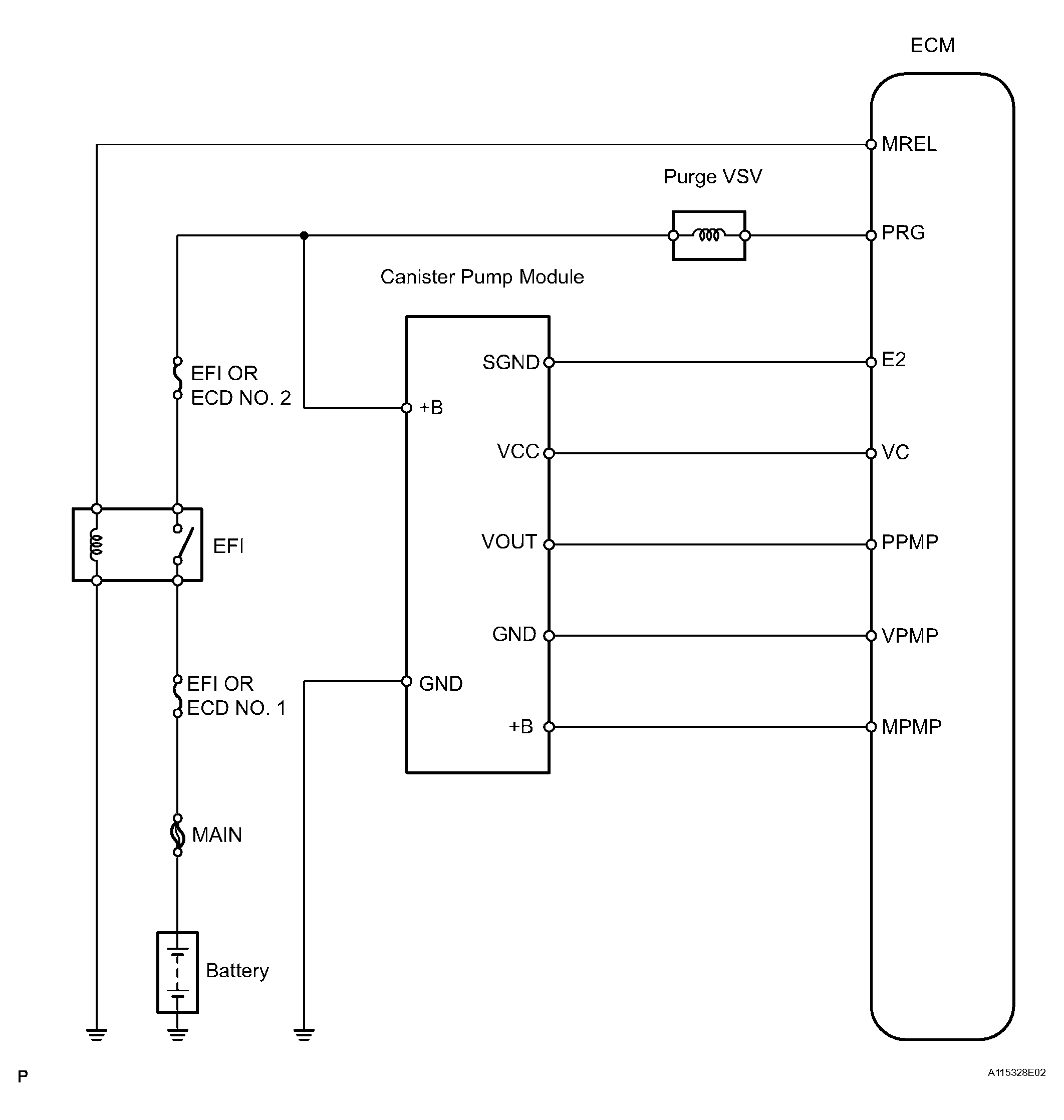
EVAP System (2006/01-): Wiring Diagram

Fig 1: EVAP System Wiring Diagram
G04435449Courtesy of © TOYOTA, LICENSE AGREEMENT TMS1002