lemon-mirror:
Home >> Toyota >> 2006 >> Matrix Base, 4WD >> Repair and Diagnosis >> Electrical >> Body Electrical >> OEM System Circuits >> Engine Control for 1ZZ-FE (2WD) >> Notes

Engine Control for 1ZZ-FE (2WD): Notes

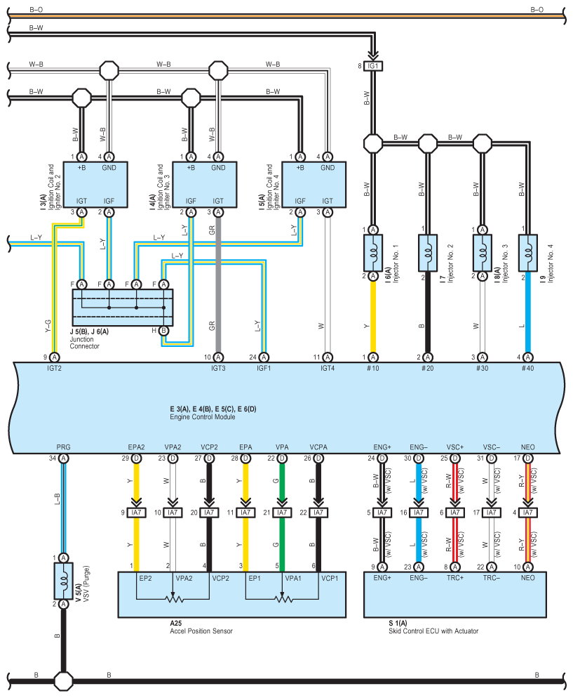
Fig 1: Engine Control System (For 1ZZ-FE, 2WD) Wiring Diagram (1 Of 8)
G08838139Courtesy of © TOYOTA, LICENSE AGREEMENT TMS1002
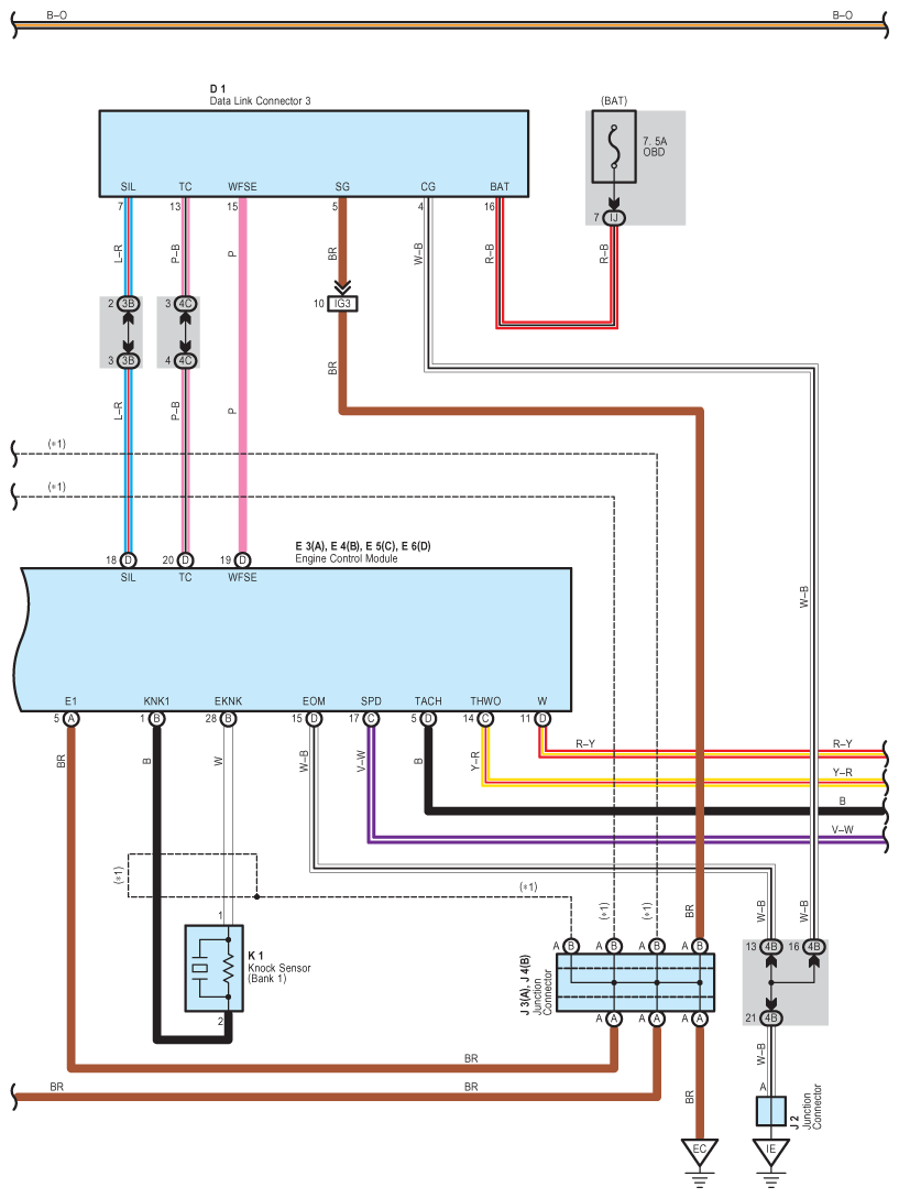
Fig 2: Engine Control System (For 1ZZ-FE, 2WD) Wiring Diagram (2 Of 8)
G08838140Courtesy of © TOYOTA, LICENSE AGREEMENT TMS1002
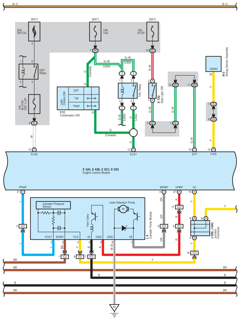
Fig 3: Engine Control System (For 1ZZ-FE, 2WD) Wiring Diagram (3 Of 8)
G08838141Courtesy of © TOYOTA, LICENSE AGREEMENT TMS1002
Fig 4: Engine Control System (For 1ZZ-FE, 2WD) Wiring Diagram (4 Of 8)
G08838142Courtesy of © TOYOTA, LICENSE AGREEMENT TMS1002
Fig 5: Engine Control System (For 1ZZ-FE, 2WD) Wiring Diagram (5 Of 8)
G08838143Courtesy of © TOYOTA, LICENSE AGREEMENT TMS1002
Fig 6: Engine Control System (For 1ZZ-FE, 2WD) Wiring Diagram (6 Of 8)
G08838144Courtesy of © TOYOTA, LICENSE AGREEMENT TMS1002
Fig 7: Engine Control System (For 1ZZ-FE, 2WD) Wiring Diagram (7 Of 8)
G08838145Courtesy of © TOYOTA, LICENSE AGREEMENT TMS1002
Fig 8: Engine Control System (For 1ZZ-FE, 2WD) Wiring Diagram (8 Of 8)
G08838146Courtesy of © TOYOTA, LICENSE AGREEMENT TMS1002