lemon-mirror:
Home >> Toyota >> 2006 >> Matrix Base, 4WD >> Repair and Diagnosis >> Electrical >> Body Electrical >> OEM System Circuits >> Light Reminder and Key Reminder >> Notes

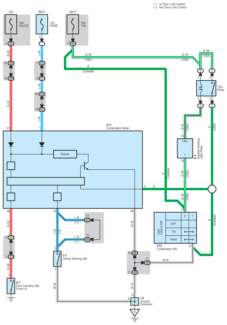
Light Reminder and Key Reminder: Notes

Fig 1: Light Reminder And Key Reminder System Wiring Diagram
G08838213Courtesy of © TOYOTA, LICENSE AGREEMENT TMS1002