lemon-mirror:
Home >> Toyota >> 2006 >> Matrix Base, FWD, Automatic >> Repair and Diagnosis >> Electrical >> Body Electrical >> OEM Ground Points >> Ground Point >> Notes

Ground Point: Notes

Fig 1: Ground Point System Wiring Diagram (1 Of 5)
G08863906Courtesy of © TOYOTA, LICENSE AGREEMENT TMS1002
Fig 2: Ground Point System Wiring Diagram (2 Of 5)
G08863907Courtesy of © TOYOTA, LICENSE AGREEMENT TMS1002
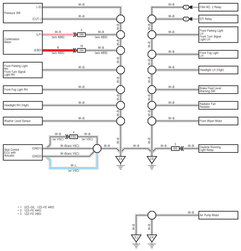
Fig 3: Ground Point System Wiring Diagram (3 Of 5)
G08863908Courtesy of © TOYOTA, LICENSE AGREEMENT TMS1002
Fig 4: Ground Point System Wiring Diagram (4 Of 5)
G08863909Courtesy of © TOYOTA, LICENSE AGREEMENT TMS1002
Fig 5: Ground Point System Wiring Diagram (5 Of 5)
G08863910Courtesy of © TOYOTA, LICENSE AGREEMENT TMS1002