lemon-mirror:
Home >> Toyota >> 2006 >> Matrix Base, FWD, Automatic >> Repair and Diagnosis >> Electrical >> Body Electrical >> OEM System Circuits >> Back-Up Light >> Notes

Back-Up Light: Notes

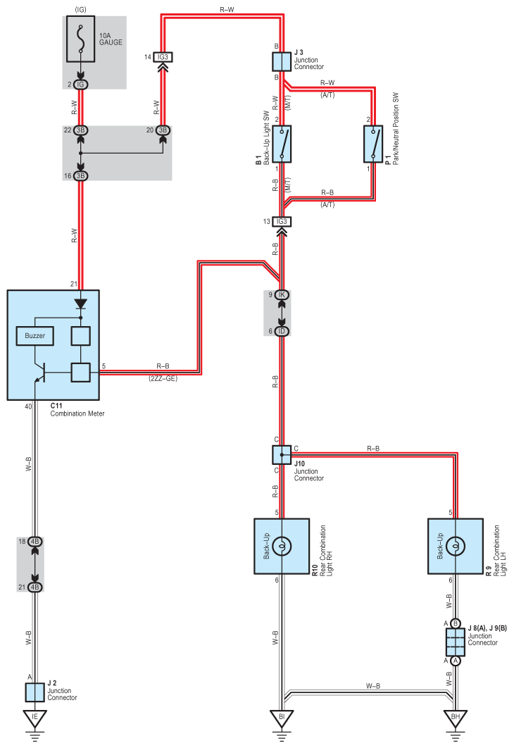
Fig 1: Back-Up Light System Wiring Diagram
G08838162Courtesy of © TOYOTA, LICENSE AGREEMENT TMS1002