lemon-mirror:
Home >> Toyota >> 2006 >> Matrix Base, FWD, Automatic >> Repair and Diagnosis >> Electrical >> Body Electrical >> OEM System Circuits >> Engine Control for 2ZZ-GE >> Notes

Engine Control for 2ZZ-GE: Notes

Fig 1: Engine Control System (For 2ZZ-GE) Wiring Diagram (1 Of 8)
G08838123Courtesy of © TOYOTA, LICENSE AGREEMENT TMS1002
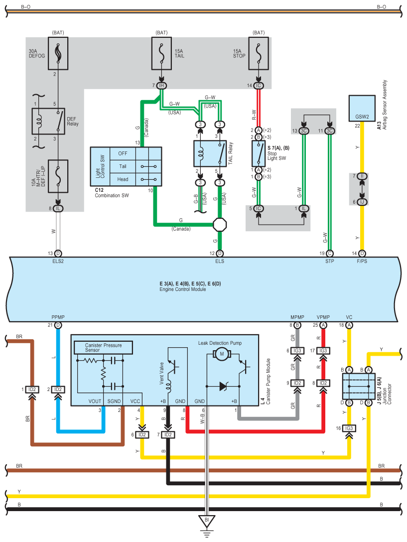
Fig 2: Engine Control System (For 2ZZ-GE) Wiring Diagram (2 Of 8)
G08838124Courtesy of © TOYOTA, LICENSE AGREEMENT TMS1002
Fig 3: Engine Control System (For 2ZZ-GE) Wiring Diagram (3 Of 8)
G08838125Courtesy of © TOYOTA, LICENSE AGREEMENT TMS1002
Fig 4: Engine Control System (For 2ZZ-GE) Wiring Diagram (4 Of 8)
G08838126Courtesy of © TOYOTA, LICENSE AGREEMENT TMS1002
Fig 5: Engine Control System (For 2ZZ-GE) Wiring Diagram (5 Of 8)
G08838127Courtesy of © TOYOTA, LICENSE AGREEMENT TMS1002
Fig 6: Engine Control System (For 2ZZ-GE) Wiring Diagram (6 Of 8)
G08838128Courtesy of © TOYOTA, LICENSE AGREEMENT TMS1002
Fig 7: Engine Control System (For 2ZZ-GE) Wiring Diagram (7 Of 8)
G08838129Courtesy of © TOYOTA, LICENSE AGREEMENT TMS1002
Fig 8: Engine Control System (For 2ZZ-GE) Wiring Diagram (8 Of 8)
G08838130Courtesy of © TOYOTA, LICENSE AGREEMENT TMS1002