lemon-mirror:
Home >> Toyota >> 2006 >> Matrix Base, FWD, Automatic >> Repair and Diagnosis >> Electrical >> Body Electrical >> OEM System Circuits >> Interior Light >> Notes

Interior Light: Notes

Fig 1: Interior Light System Wiring Diagram (1 Of 3)
G08838158Courtesy of © TOYOTA, LICENSE AGREEMENT TMS1002
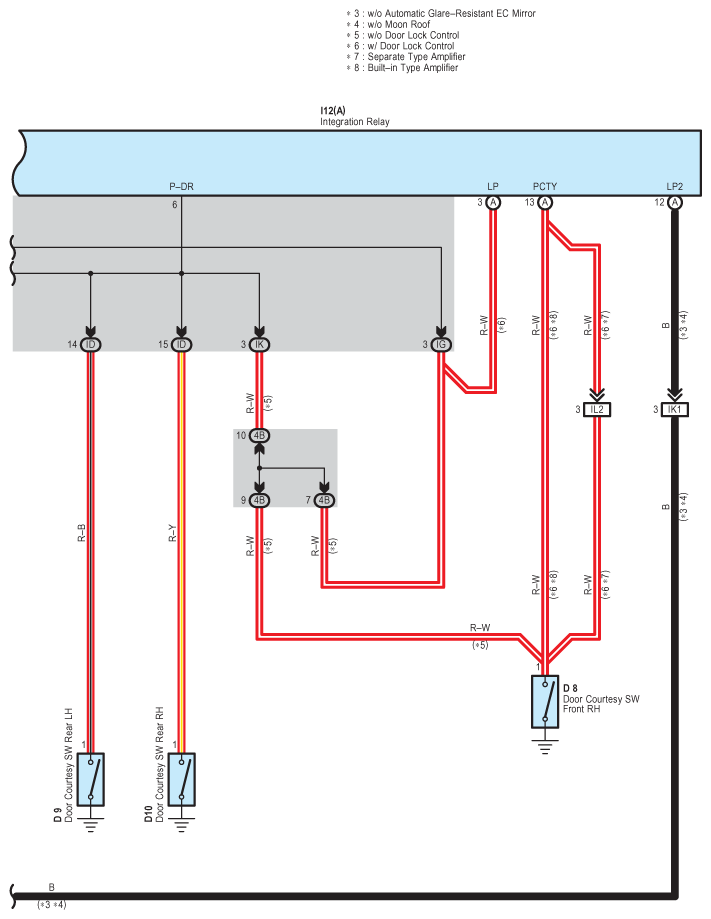
Fig 2: Interior Light System Wiring Diagram (2 Of 3)
G08838159Courtesy of © TOYOTA, LICENSE AGREEMENT TMS1002
Fig 3: Interior Light System Wiring Diagram (3 Of 3)
G08838160Courtesy of © TOYOTA, LICENSE AGREEMENT TMS1002