lemon-mirror:
Home >> Toyota >> 2006 >> Matrix Base, FWD, Automatic >> Repair and Diagnosis >> Electrical >> Body Electrical >> OEM System Circuits >> Power Outlet for 115V >> Notes

Power Outlet for 115V: Notes

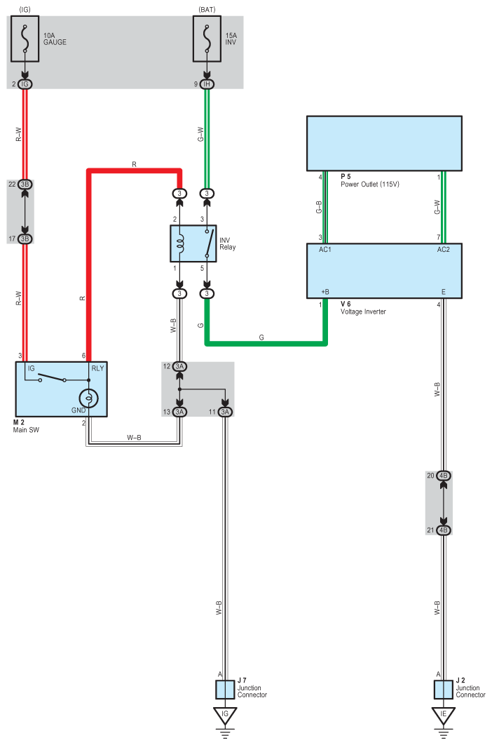
Fig 1: Power Outlet System Wiring Diagram (For 115V)
G08838169Courtesy of © TOYOTA, LICENSE AGREEMENT TMS1002