lemon-mirror:
Home >> Toyota >> 2006 >> Matrix Base, FWD, Automatic >> Repair and Diagnosis >> Electrical >> Body Electrical >> OEM System Circuits >> Power Source >> Notes

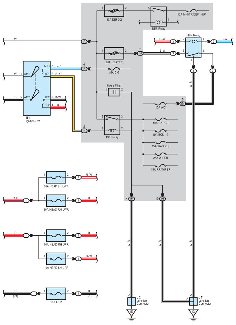
Power Source: Notes

Fig 1: Power Source System Wiring Diagram (1 Of 2)
G08838118Courtesy of © TOYOTA, LICENSE AGREEMENT TMS1002
Fig 2: Power Source System Wiring Diagram (2 Of 2)
G08838119Courtesy of © TOYOTA, LICENSE AGREEMENT TMS1002