lemon-mirror:
Home >> Toyota >> 2006 >> Matrix Base, FWD, Automatic >> Repair and Diagnosis >> Electrical >> Body Electrical >> OEM System Circuits >> Radiator Fan >> Notes

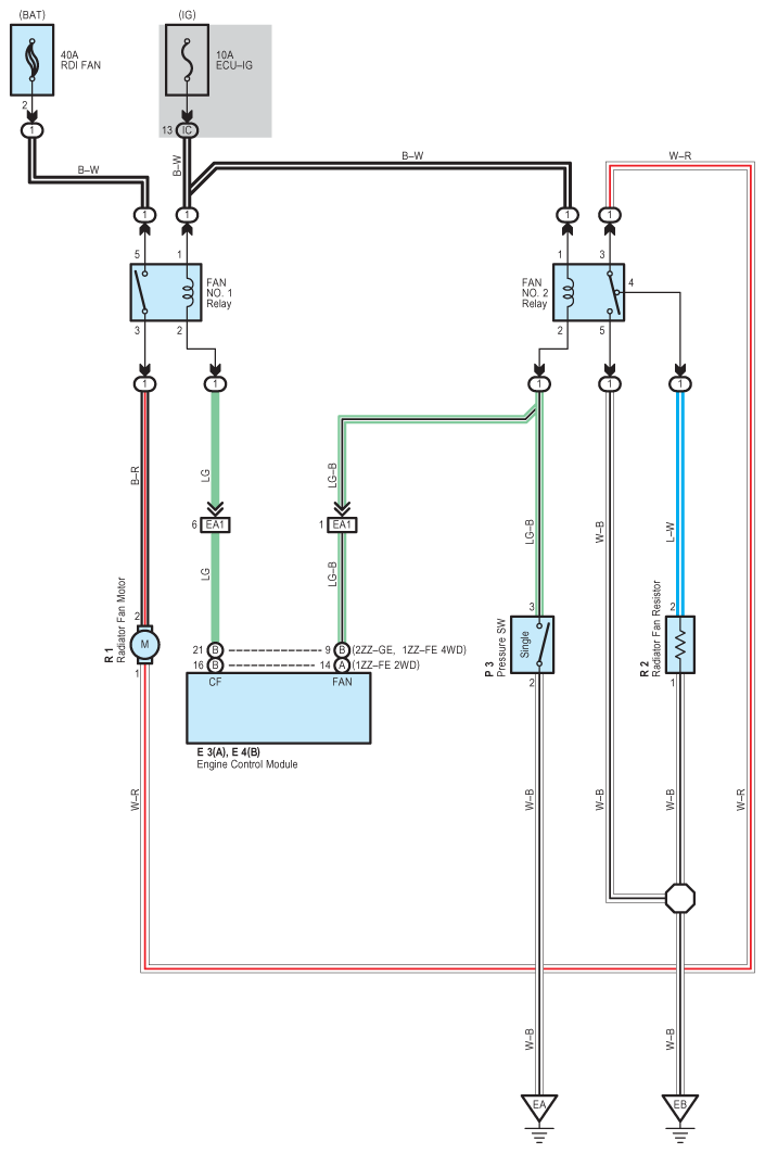
Radiator Fan: Notes

Fig 1: Radiator Fan System Wiring Diagram
G08838226Courtesy of © TOYOTA, LICENSE AGREEMENT TMS1002