lemon-mirror:
Home >> Toyota >> 2006 >> Matrix Base, FWD, Automatic >> Repair and Diagnosis >> Electrical >> Body Electrical >> OEM System Circuits >> Starting >> Notes

OEM System Circuits: Starting: Notes

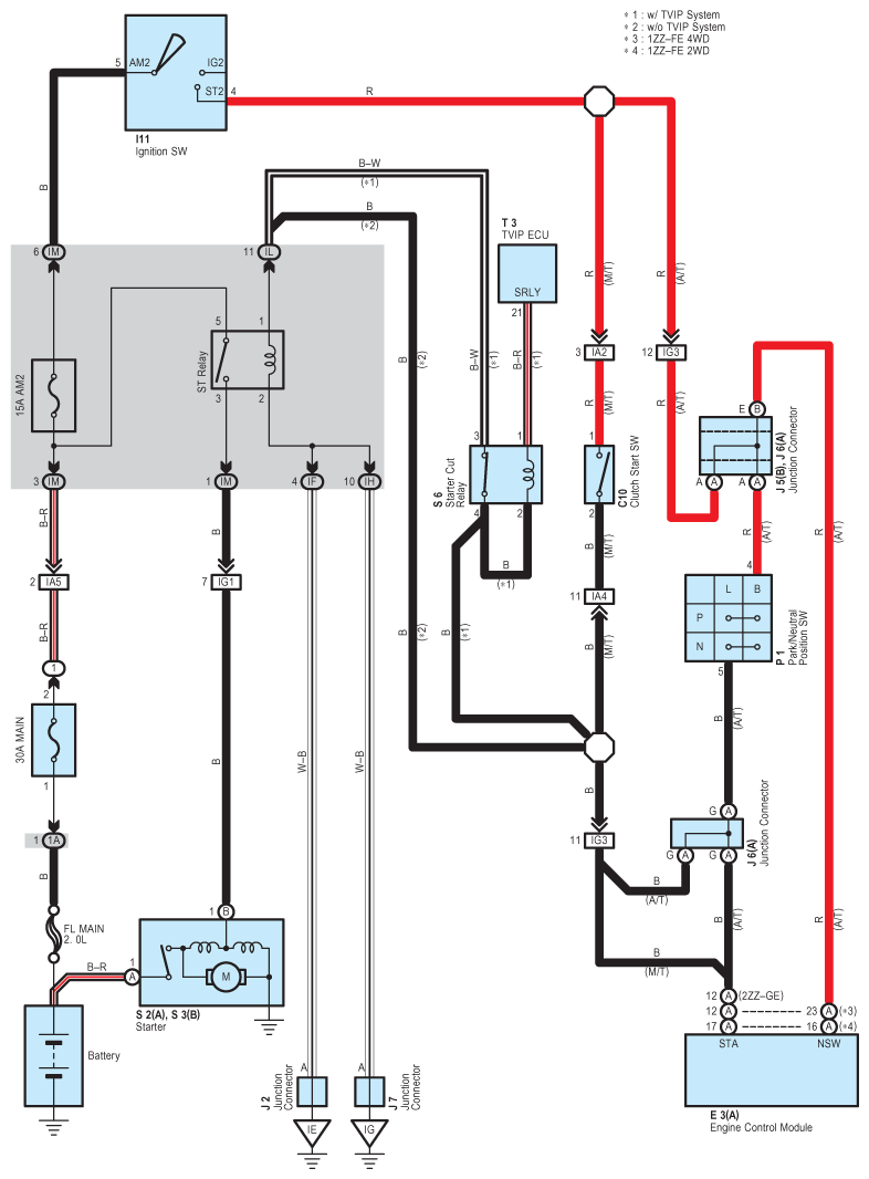
Fig 1: Starting System Wiring Diagram
G08838120Courtesy of © TOYOTA, LICENSE AGREEMENT TMS1002