lemon-mirror:
Home >> Toyota >> 2006 >> Prius >> Repair and Diagnosis >> Electrical >> Body Electrical >> OEM System Circuits >> Multiplex Communication System - CAN Bus >> Notes

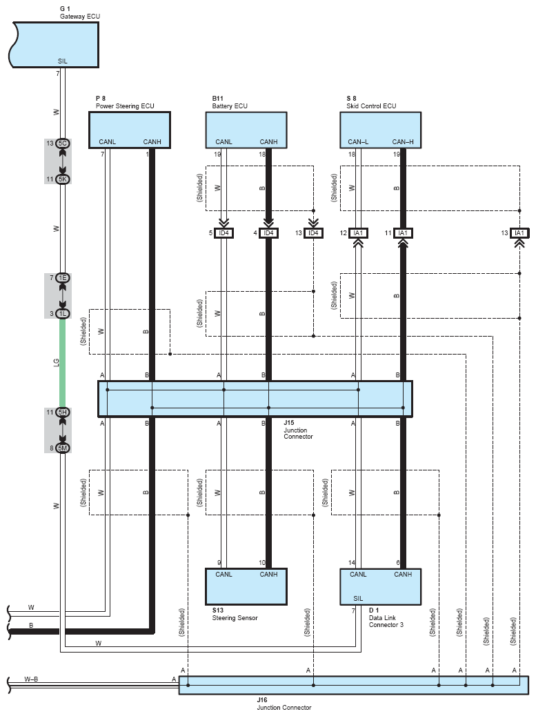
Multiplex Communication System - CAN Bus: Notes

Fig 1: Multiplex Communication (CAN Bus) System Wiring Diagram (1 Of 2)
G08794685Courtesy of © TOYOTA, LICENSE AGREEMENT TMS1002
Fig 2: Multiplex Communication (CAN Bus) System Wiring Diagram (2 Of 2)
G08794686Courtesy of © TOYOTA, LICENSE AGREEMENT TMS1002