lemon-mirror:
Home >> Toyota >> 2006 >> Prius >> Repair and Diagnosis >> Electrical >> Body Electrical >> OEM System Circuits >> Smart Key System and Wireless Door Lock Control >> Notes

Smart Key System and Wireless Door Lock Control: Notes

Fig 1: Smart Key System And Wireless Door Lock Control System Wiring Diagram (1 Of 13)
G08794772Courtesy of © TOYOTA, LICENSE AGREEMENT TMS1002
Fig 2: Smart Key System And Wireless Door Lock Control System Wiring Diagram (2 Of 13)
G08794773Courtesy of © TOYOTA, LICENSE AGREEMENT TMS1002
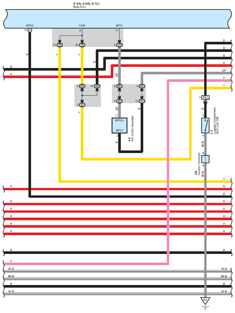
Fig 3: Smart Key System And Wireless Door Lock Control System Wiring Diagram (3 Of 13)
G08794774Courtesy of © TOYOTA, LICENSE AGREEMENT TMS1002
Fig 4: Smart Key System And Wireless Door Lock Control System Wiring Diagram (4 Of 13)
G08794775Courtesy of © TOYOTA, LICENSE AGREEMENT TMS1002
Fig 5: Smart Key System And Wireless Door Lock Control System Wiring Diagram (5 Of 13)
G08794776Courtesy of © TOYOTA, LICENSE AGREEMENT TMS1002
Fig 6: Smart Key System And Wireless Door Lock Control System Wiring Diagram (6 Of 13)
G08794777Courtesy of © TOYOTA, LICENSE AGREEMENT TMS1002
Fig 7: Smart Key System And Wireless Door Lock Control System Wiring Diagram (7 Of 13)
G08794778Courtesy of © TOYOTA, LICENSE AGREEMENT TMS1002
Fig 8: Smart Key System And Wireless Door Lock Control System Wiring Diagram (8 Of 13)
G08794779Courtesy of © TOYOTA, LICENSE AGREEMENT TMS1002
Fig 9: Smart Key System And Wireless Door Lock Control System Wiring Diagram (9 Of 13)
G08794780Courtesy of © TOYOTA, LICENSE AGREEMENT TMS1002
Fig 10: Smart Key System And Wireless Door Lock Control System Wiring Diagram (10 Of 13)
G08794781Courtesy of © TOYOTA, LICENSE AGREEMENT TMS1002
Fig 11: Smart Key System And Wireless Door Lock Control System Wiring Diagram (11 Of 13)
G08794782Courtesy of © TOYOTA, LICENSE AGREEMENT TMS1002
Fig 12: Smart Key System And Wireless Door Lock Control System Wiring Diagram (12 Of 13)
G08794783Courtesy of © TOYOTA, LICENSE AGREEMENT TMS1002
Fig 13: Smart Key System And Wireless Door Lock Control System Wiring Diagram (13 Of 13)
G08794784Courtesy of © TOYOTA, LICENSE AGREEMENT TMS1002