lemon-mirror:
Home >> Toyota >> 2006 >> RAV4 Base, 2.4 D, FWD >> Repair and Diagnosis >> Engine Performance >> Engine Control System (2AZ-FE) >> SFI System >> System Diagram >> Engine Control System

Engine Control System

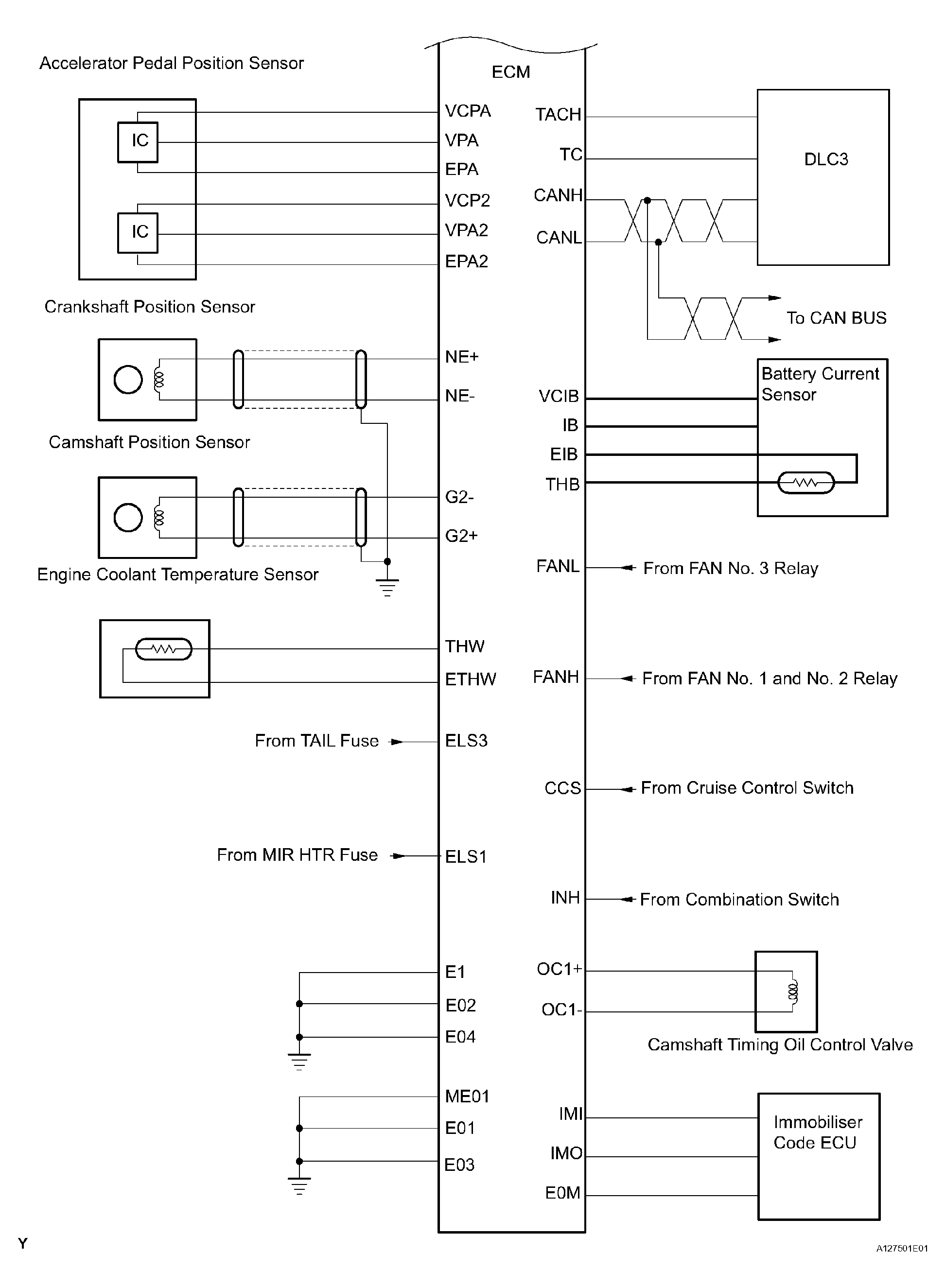
Fig 1: 2AZ-FE Engine Control System Diagram (1 Of 3)
G04483720Courtesy of © TOYOTA, LICENSE AGREEMENT TMS1002
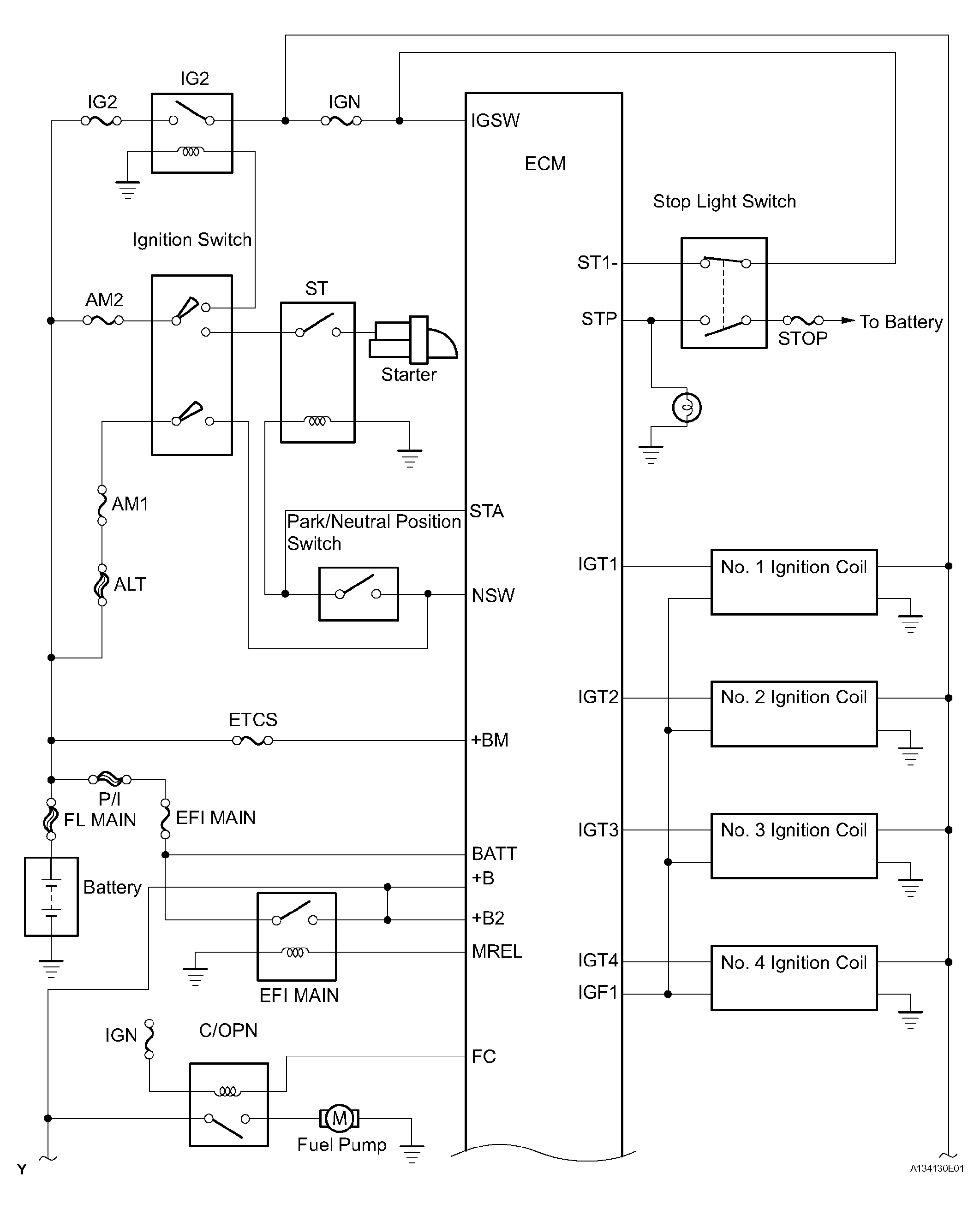
Fig 2: 2AZ-FE Engine Control System Diagram (2 Of 3)
G04483721Courtesy of © TOYOTA, LICENSE AGREEMENT TMS1002
Fig 3: 2AZ-FE Engine Control System Diagram (3 Of 3)
G04483722Courtesy of © TOYOTA, LICENSE AGREEMENT TMS1002