lemon-mirror:
Home >> Toyota >> 2007 >> Avalon XLS >> Repair and Diagnosis >> Electrical >> Body Electrical >> OEM System Circuits >> ABS without VSC >> Notes

ABS without VSC: Notes

Fig 1: ABS Without VSC System Wiring Diagram (1 Of 3)
G08780825Courtesy of © TOYOTA, LICENSE AGREEMENT TMS1002
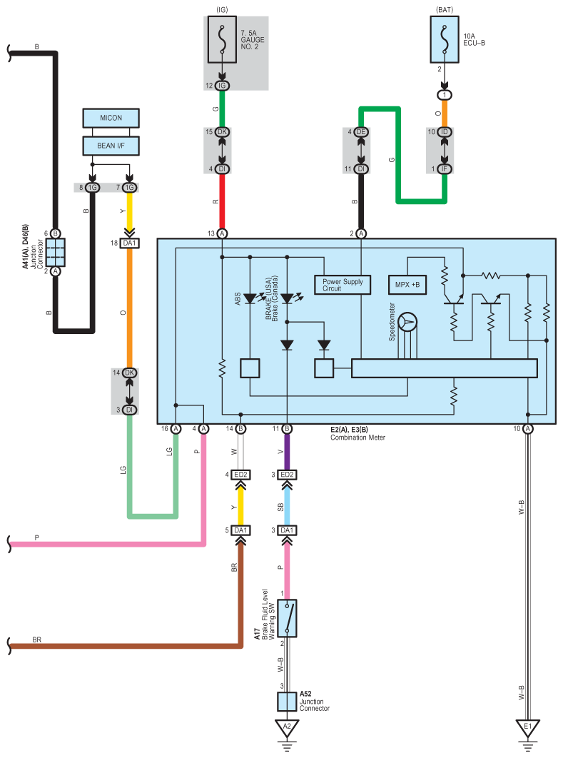
Fig 2: ABS Without VSC System Wiring Diagram (2 Of 3)
G08780826Courtesy of © TOYOTA, LICENSE AGREEMENT TMS1002
Fig 3: ABS Without VSC System Wiring Diagram (3 Of 3)
G08780827Courtesy of © TOYOTA, LICENSE AGREEMENT TMS1002