lemon-mirror:
Home >> Toyota >> 2007 >> Avalon XLS >> Repair and Diagnosis >> Electrical >> Body Electrical >> OEM System Circuits >> Air Conditioning >> Notes

Air Conditioning: Notes

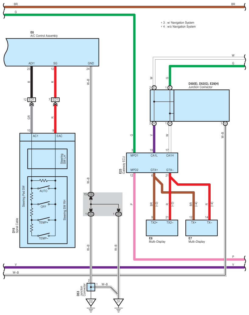
Fig 1: Air Conditioning System Wiring Diagram (1 Of 6)
G08780910Courtesy of © TOYOTA, LICENSE AGREEMENT TMS1002
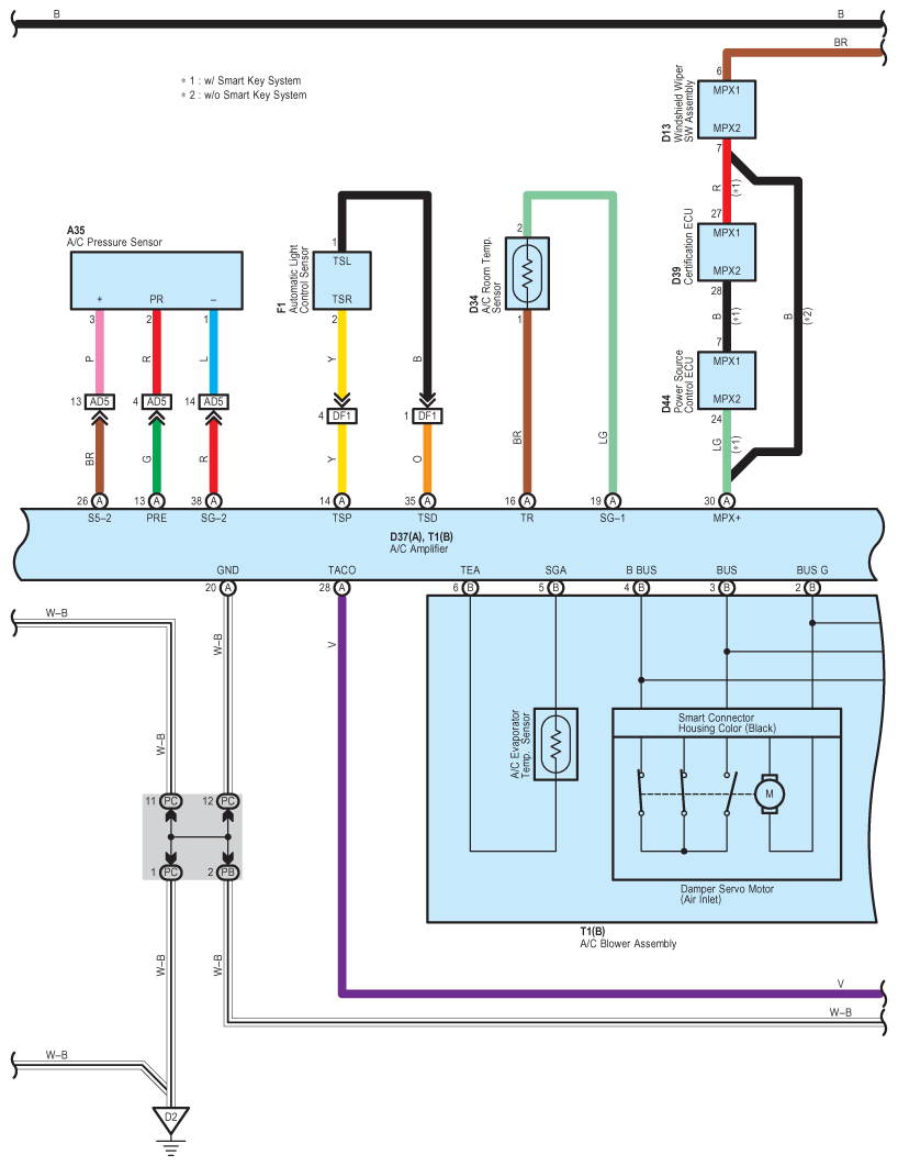
Fig 2: Air Conditioning System Wiring Diagram (2 Of 6)
G08780911Courtesy of © TOYOTA, LICENSE AGREEMENT TMS1002
Fig 3: Air Conditioning System Wiring Diagram (3 Of 6)
G08780912Courtesy of © TOYOTA, LICENSE AGREEMENT TMS1002
Fig 4: Air Conditioning System Wiring Diagram (4 Of 6)
G08780913Courtesy of © TOYOTA, LICENSE AGREEMENT TMS1002
Fig 5: Air Conditioning System Wiring Diagram (5 Of 6)
G08780914Courtesy of © TOYOTA, LICENSE AGREEMENT TMS1002
Fig 6: Air Conditioning System Wiring Diagram (6 Of 6)
G08780915Courtesy of © TOYOTA, LICENSE AGREEMENT TMS1002