lemon-mirror:
Home >> Toyota >> 2007 >> Avalon XLS >> Repair and Diagnosis >> Electrical >> Body Electrical >> OEM System Circuits >> Engine Control >> Notes

Engine Control: Notes

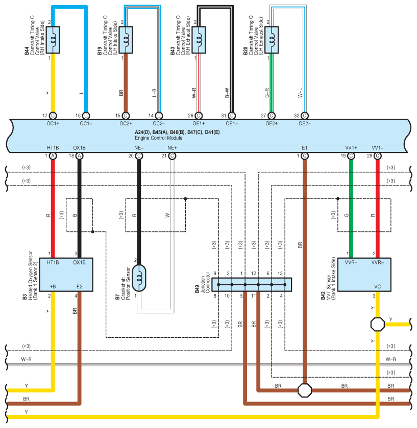
Fig 1: Engine Control System Wiring Diagram (1 Of 12)
G08780706Courtesy of © TOYOTA, LICENSE AGREEMENT TMS1002
Fig 2: Engine Control System Wiring Diagram (2 Of 12)
G08780707Courtesy of © TOYOTA, LICENSE AGREEMENT TMS1002
Fig 3: Engine Control System Wiring Diagram (3 Of 12)
G08780708Courtesy of © TOYOTA, LICENSE AGREEMENT TMS1002
Fig 4: Engine Control System Wiring Diagram (4 Of 12)
G08780709Courtesy of © TOYOTA, LICENSE AGREEMENT TMS1002
Fig 5: Engine Control System Wiring Diagram (5 Of 12)
G08780710Courtesy of © TOYOTA, LICENSE AGREEMENT TMS1002
Fig 6: Engine Control System Wiring Diagram (6 Of 12)
G08780711Courtesy of © TOYOTA, LICENSE AGREEMENT TMS1002
Fig 7: Engine Control System Wiring Diagram (7 Of 12)
G08780712Courtesy of © TOYOTA, LICENSE AGREEMENT TMS1002
Fig 8: Engine Control System Wiring Diagram (8 Of 12)
G08780713Courtesy of © TOYOTA, LICENSE AGREEMENT TMS1002
Fig 9: Engine Control System Wiring Diagram (9 Of 12)
G08780714Courtesy of © TOYOTA, LICENSE AGREEMENT TMS1002
Fig 10: Engine Control System Wiring Diagram (10 Of 12)
G08780715Courtesy of © TOYOTA, LICENSE AGREEMENT TMS1002
Fig 11: Engine Control System Wiring Diagram (11 Of 12)
G08780716Courtesy of © TOYOTA, LICENSE AGREEMENT TMS1002
Fig 12: Engine Control System Wiring Diagram (12 Of 12)
G08780717Courtesy of © TOYOTA, LICENSE AGREEMENT TMS1002