lemon-mirror:
Home >> Toyota >> 2007 >> Avalon XLS >> Repair and Diagnosis >> Electrical >> Body Electrical >> OEM System Circuits >> Interior Light >> Notes

Interior Light: Notes

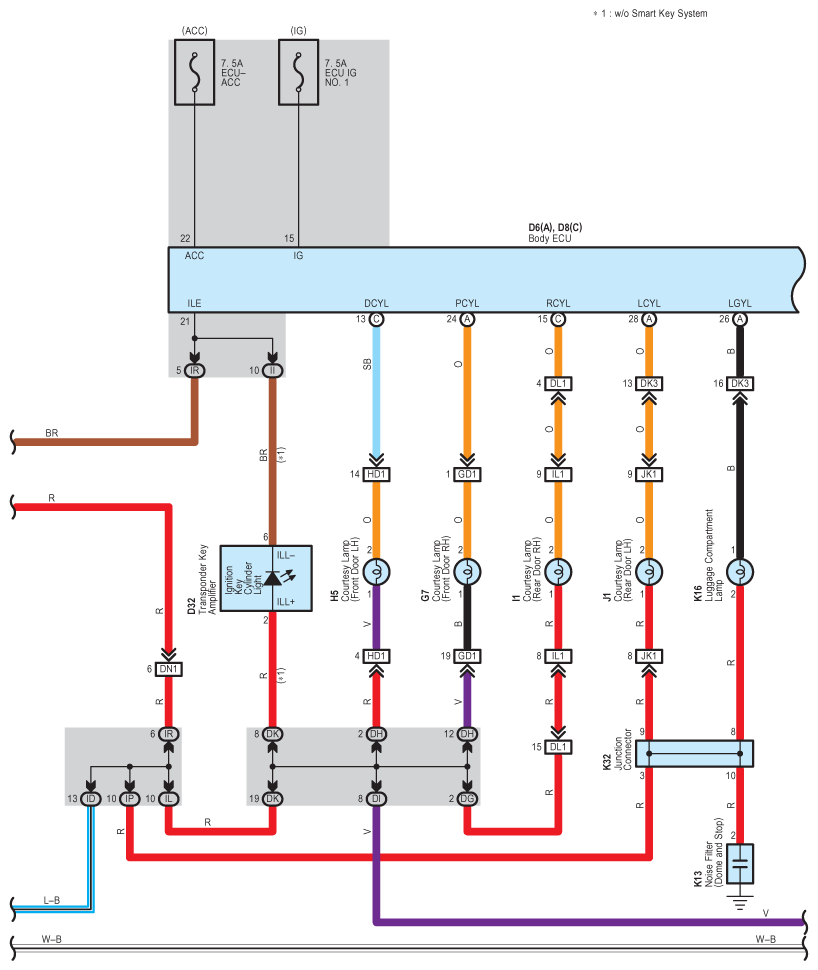
Fig 1: Interior Light System Wiring Diagram (1 Of 6)
G08780743Courtesy of © TOYOTA, LICENSE AGREEMENT TMS1002
Fig 2: Interior Light System Wiring Diagram (2 Of 6)
G08780744Courtesy of © TOYOTA, LICENSE AGREEMENT TMS1002
Fig 3: Interior Light System Wiring Diagram (3 Of 6)
G08780745Courtesy of © TOYOTA, LICENSE AGREEMENT TMS1002
Fig 4: Interior Light System Wiring Diagram (4 Of 6)
G08780746Courtesy of © TOYOTA, LICENSE AGREEMENT TMS1002
Fig 5: Interior Light System Wiring Diagram (5 Of 6)
G08780747Courtesy of © TOYOTA, LICENSE AGREEMENT TMS1002
Fig 6: Interior Light System Wiring Diagram (6 Of 6)
G08780748Courtesy of © TOYOTA, LICENSE AGREEMENT TMS1002