lemon-mirror:
Home >> Toyota >> 2007 >> Avalon XLS >> Repair and Diagnosis >> Electrical >> Body Electrical >> OEM System Circuits >> Key Reminder without Smart Key System >> Notes

Key Reminder without Smart Key System: Notes

Fig 1: Key Reminder System (Without Smart Key) Wiring Diagram (1 Of 2)
G08780764Courtesy of © TOYOTA, LICENSE AGREEMENT TMS1002
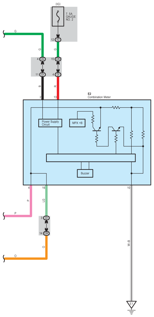
Fig 2: Key Reminder System (Without Smart Key) Wiring Diagram (2 Of 2)
G08780765Courtesy of © TOYOTA, LICENSE AGREEMENT TMS1002