lemon-mirror:
Home >> Toyota >> 2007 >> Avalon XLS >> Repair and Diagnosis >> Electrical >> Body Electrical >> OEM System Circuits >> Light Auto Turn Off System >> Notes

Light Auto Turn Off System: Notes

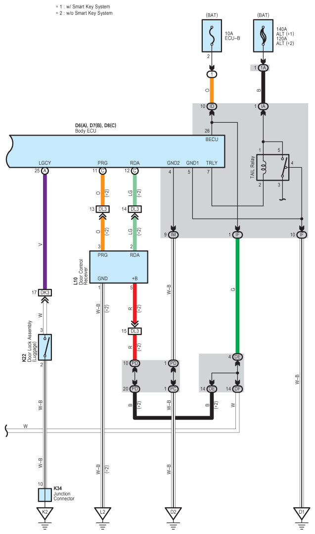
Fig 1: Light Auto Turn Off System Wiring Diagram (1 Of 4)
G08780737Courtesy of © TOYOTA, LICENSE AGREEMENT TMS1002
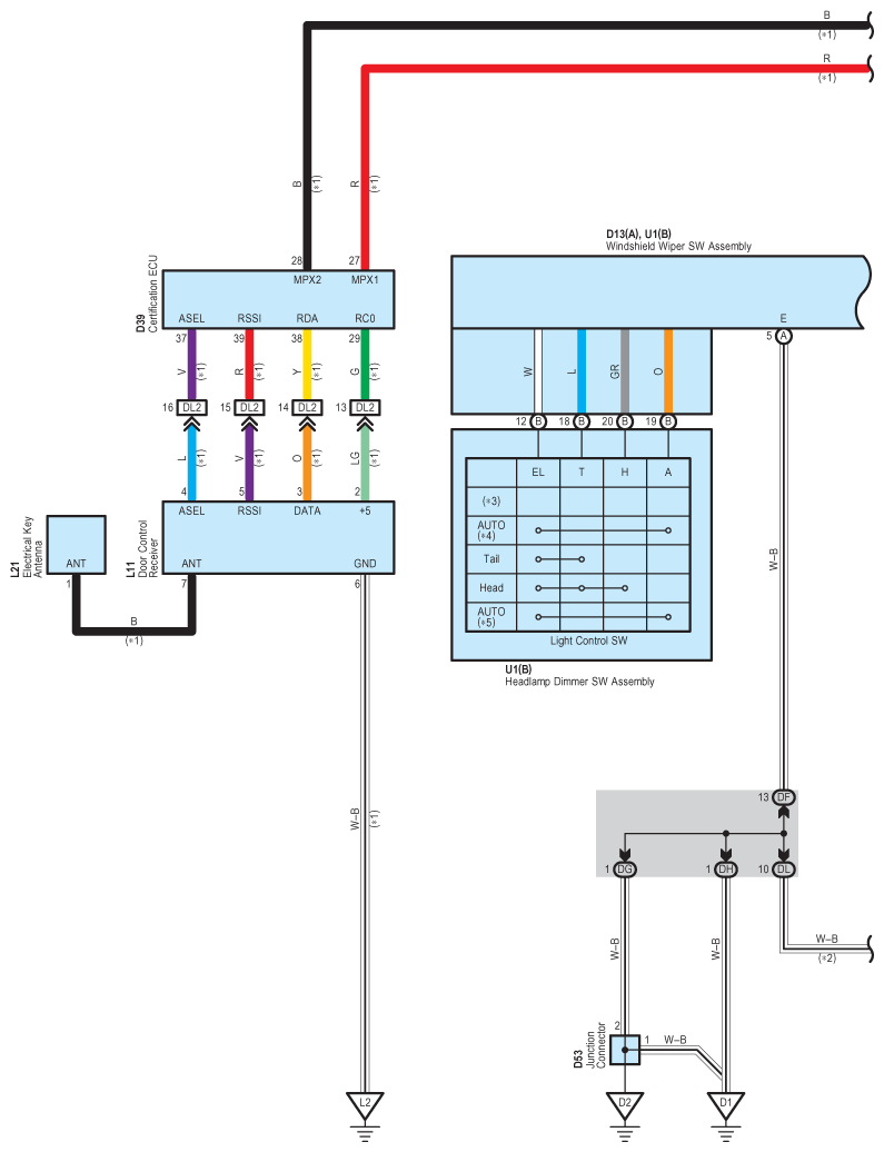
Fig 2: Light Auto Turn Off System Wiring Diagram (2 Of 4)
G08780738Courtesy of © TOYOTA, LICENSE AGREEMENT TMS1002
Fig 3: Light Auto Turn Off System Wiring Diagram (3 Of 4)
G08780739Courtesy of © TOYOTA, LICENSE AGREEMENT TMS1002
Fig 4: Light Auto Turn Off System Wiring Diagram (4 Of 4)
G08780740Courtesy of © TOYOTA, LICENSE AGREEMENT TMS1002