lemon-mirror:
Home >> Toyota >> 2007 >> Avalon XLS >> Repair and Diagnosis >> Electrical >> Body Electrical >> OEM System Circuits >> Multi Display without Navigation System >> Notes

Multi Display without Navigation System: Notes

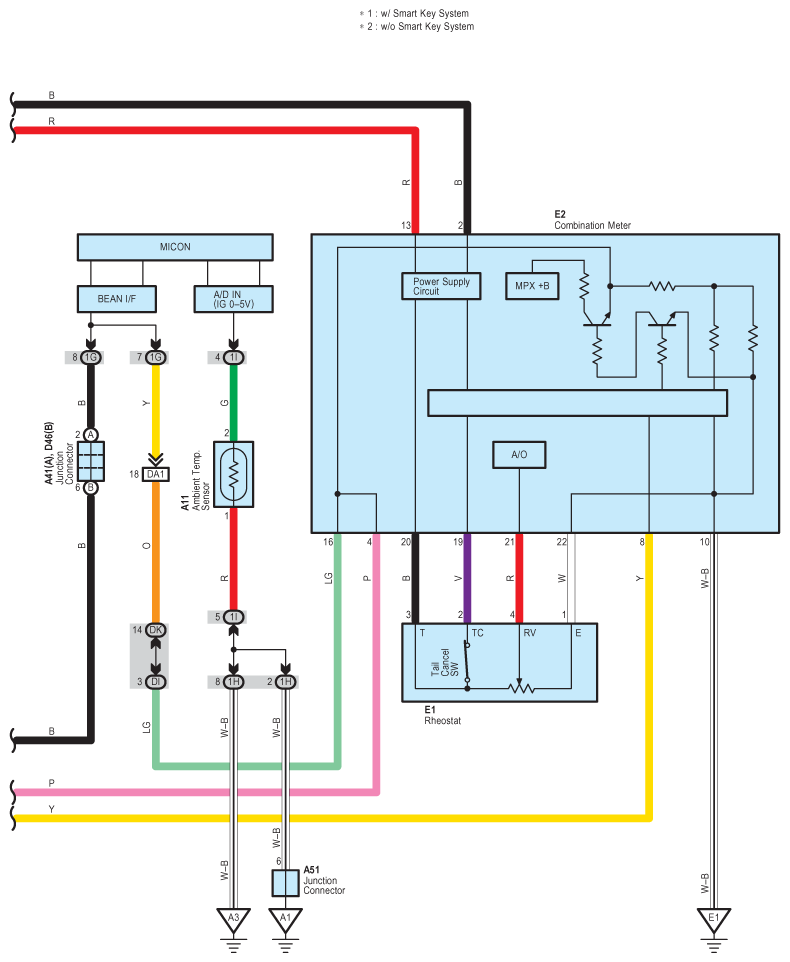
Fig 1: Multi Display System (Without Navigation) Wiring Diagram (1 Of 2)
G08780895Courtesy of © TOYOTA, LICENSE AGREEMENT TMS1002
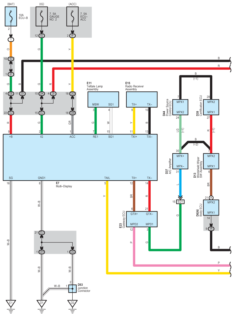
Fig 2: Multi Display System (Without Navigation) Wiring Diagram (2 Of 2)
G08780896Courtesy of © TOYOTA, LICENSE AGREEMENT TMS1002