lemon-mirror:
Home >> Toyota >> 2007 >> Avalon XLS >> Repair and Diagnosis >> Electrical >> Body Electrical >> OEM System Circuits >> Remote Control Mirror without Memory >> Notes

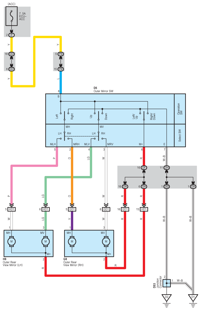
Remote Control Mirror without Memory: Notes

Fig 1: Remote Control Mirror System (Without Memory) Wiring Diagram
G08780883Courtesy of © TOYOTA, LICENSE AGREEMENT TMS1002