lemon-mirror:
Home >> Toyota >> 2007 >> Avalon XLS >> Repair and Diagnosis >> Engine Performance >> Tune-Up >> Engine Ignition System >> Ignition System >> System Diagram

System Diagram

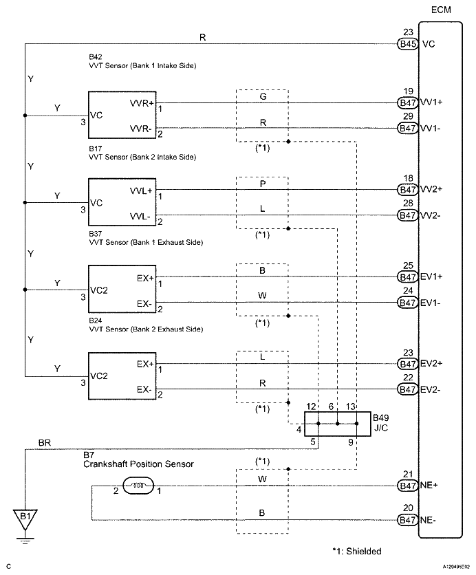
Fig 1: Ignition System Diagram (1 Of 2)
G05000302Courtesy of © TOYOTA, LICENSE AGREEMENT TMS1002
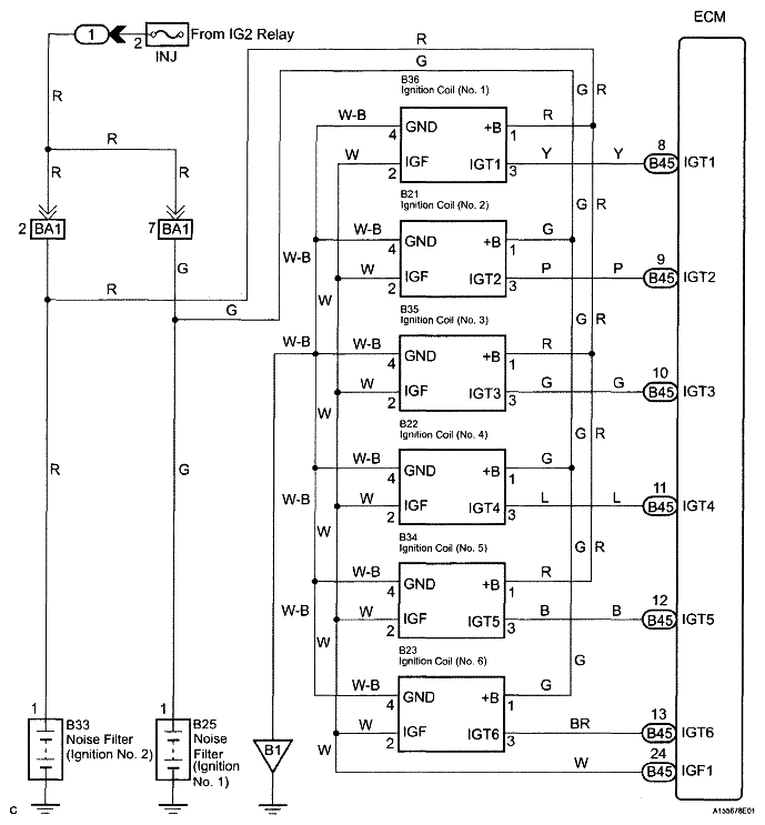
Fig 2: Ignition System Diagram (2 Of 2)
G05000303Courtesy of © TOYOTA, LICENSE AGREEMENT TMS1002