lemon-mirror:
Home >> Toyota >> 2007 >> FJ Cruiser RWD >> Repair and Diagnosis >> Electrical >> Body Electrical >> OEM System Circuits >> Accessory Meter >> Notes

Accessory Meter: Notes

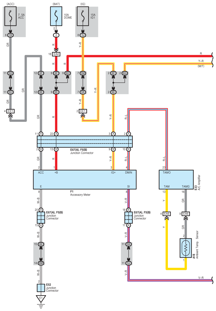
Fig 1: Accessory Meter System Wiring Diagram (1 Of 2)
G08781907Courtesy of © TOYOTA, LICENSE AGREEMENT TMS1002
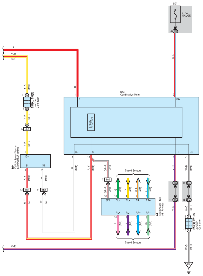
Fig 2: Accessory Meter System Wiring Diagram (2 Of 2)
G08781908Courtesy of © TOYOTA, LICENSE AGREEMENT TMS1002