lemon-mirror:
Home >> Toyota >> 2007 >> FJ Cruiser RWD >> Repair and Diagnosis >> Electrical >> Body Electrical >> OEM System Circuits >> Shift Lock >> Notes

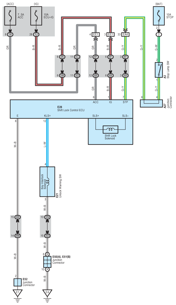
Shift Lock: Notes

Fig 1: Shift Lock System Wiring Diagram
G08781896Courtesy of © TOYOTA, LICENSE AGREEMENT TMS1002