lemon-mirror:
Home >> Toyota >> 2007 >> FJ Cruiser RWD >> Repair and Diagnosis >> Electrical >> Body Electrical >> OEM System Circuits >> Starting >> Notes

OEM System Circuits: Starting: Notes

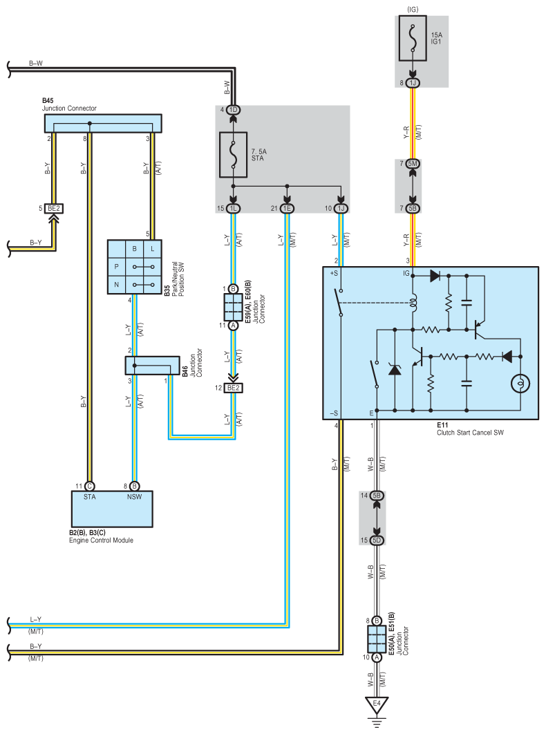
Fig 1: Starting System Wiring Diagram (1 Of 2)
G08781798Courtesy of © TOYOTA, LICENSE AGREEMENT TMS1002
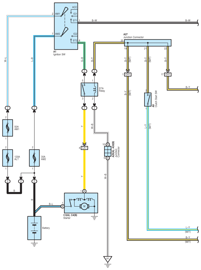
Fig 2: Starting System Wiring Diagram (2 Of 2)
G08781799Courtesy of © TOYOTA, LICENSE AGREEMENT TMS1002