lemon-mirror:
Home >> Toyota >> 2007 >> FJ Cruiser RWD >> Repair and Diagnosis >> Electrical >> Body Electrical >> OEM System Circuits >> Wireless Door Lock Control >> Notes

Wireless Door Lock Control: Notes

Fig 1: Wireless Door Lock Control System Wiring Diagram (1 Of 5)
G08781859Courtesy of © TOYOTA, LICENSE AGREEMENT TMS1002
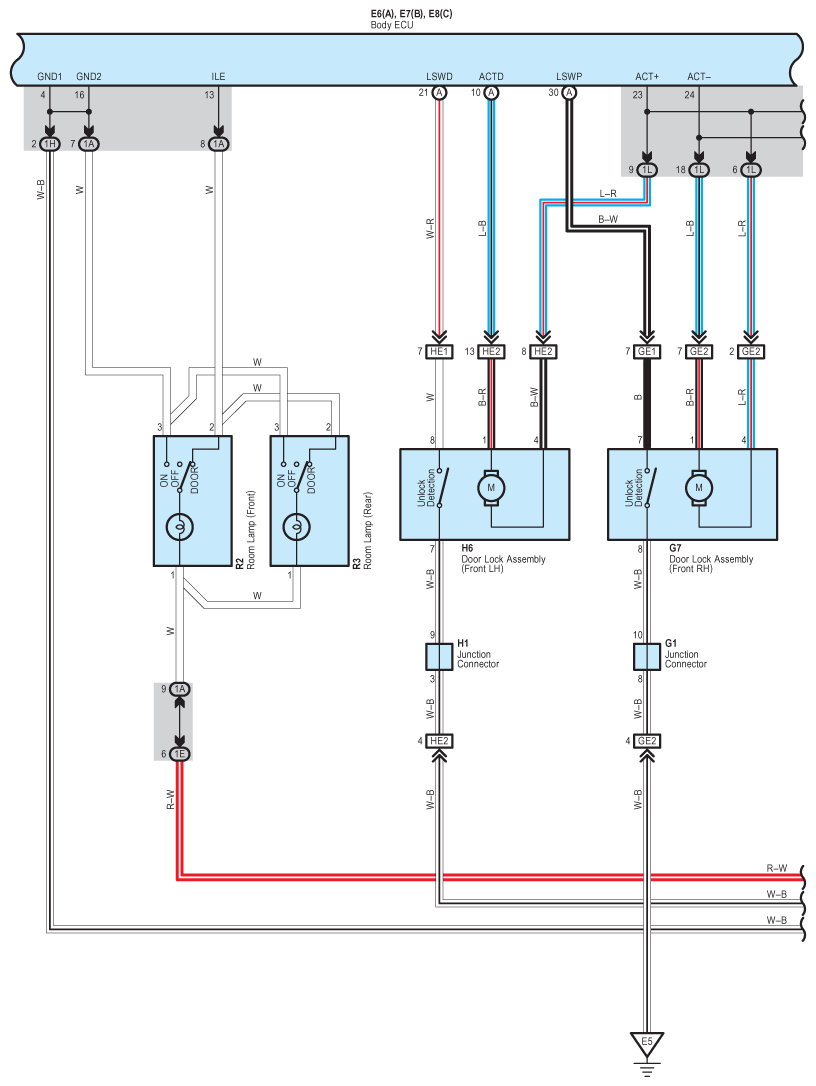
Fig 2: Wireless Door Lock Control System Wiring Diagram (2 Of 5)
G08781860Courtesy of © TOYOTA, LICENSE AGREEMENT TMS1002
Fig 3: Wireless Door Lock Control System Wiring Diagram (3 Of 5)
G08781861Courtesy of © TOYOTA, LICENSE AGREEMENT TMS1002
Fig 4: Wireless Door Lock Control System Wiring Diagram (4 Of 5)
G08781862Courtesy of © TOYOTA, LICENSE AGREEMENT TMS1002
Fig 5: Wireless Door Lock Control System Wiring Diagram (5 Of 5)
G08781863Courtesy of © TOYOTA, LICENSE AGREEMENT TMS1002