lemon-mirror:
Home >> Toyota >> 2007 >> FJ Cruiser RWD >> Repair and Diagnosis >> Engine Mechanical >> Mechanical >> Intake >> Intake System >> System Diagram

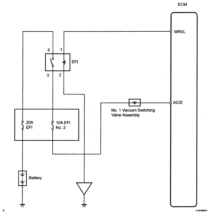
System Diagram

Fig 1: Identifying Intake System Diagram
G05109786Courtesy of © TOYOTA, LICENSE AGREEMENT TMS1002