lemon-mirror:
Home >> Toyota >> 2007 >> Highlander Limited, FWD >> Repair and Diagnosis >> Electrical >> Body Electrical >> OEM System Circuits >> Engine Control for 3MZ-FE >> Notes

Engine Control for 3MZ-FE: Notes

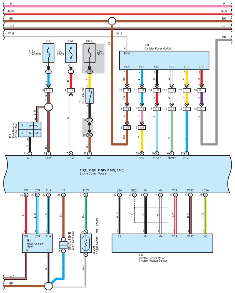
Fig 1: Engine Control System Wiring Diagram (3MZ-FE; 1 Of 8)
G08860877Courtesy of © TOYOTA, LICENSE AGREEMENT TMS1002
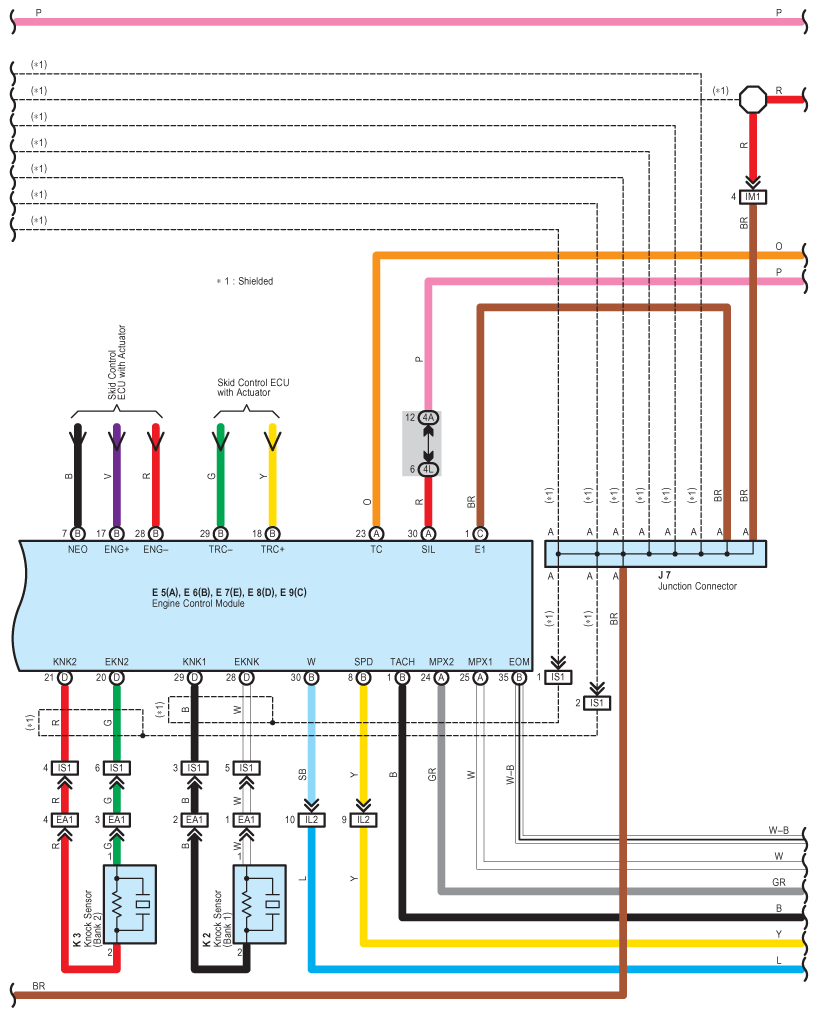
Fig 2: Engine Control System Wiring Diagram (3MZ-FE; 2 Of 8)
G08860878Courtesy of © TOYOTA, LICENSE AGREEMENT TMS1002
Fig 3: Engine Control System Wiring Diagram (3MZ-FE; 3 Of 8)
G08860879Courtesy of © TOYOTA, LICENSE AGREEMENT TMS1002
Fig 4: Engine Control System Wiring Diagram (3MZ-FE; 4 Of 8)
G08860880Courtesy of © TOYOTA, LICENSE AGREEMENT TMS1002
Fig 5: Engine Control System Wiring Diagram (3MZ-FE; 5 Of 8)
G08860881Courtesy of © TOYOTA, LICENSE AGREEMENT TMS1002
Fig 6: Engine Control System Wiring Diagram (3MZ-FE; 6 Of 8)
G08860882Courtesy of © TOYOTA, LICENSE AGREEMENT TMS1002
Fig 7: Engine Control System Wiring Diagram (3MZ-FE; 7 Of 8)
G08860883Courtesy of © TOYOTA, LICENSE AGREEMENT TMS1002
Fig 8: Engine Control System Wiring Diagram (3MZ-FE; 8 Of 8)
G08860884Courtesy of © TOYOTA, LICENSE AGREEMENT TMS1002