lemon-mirror:
Home >> Toyota >> 2007 >> Highlander Limited, FWD >> Repair and Diagnosis >> Electrical >> Body Electrical >> OEM System Circuits >> Front Fog Light >> Notes

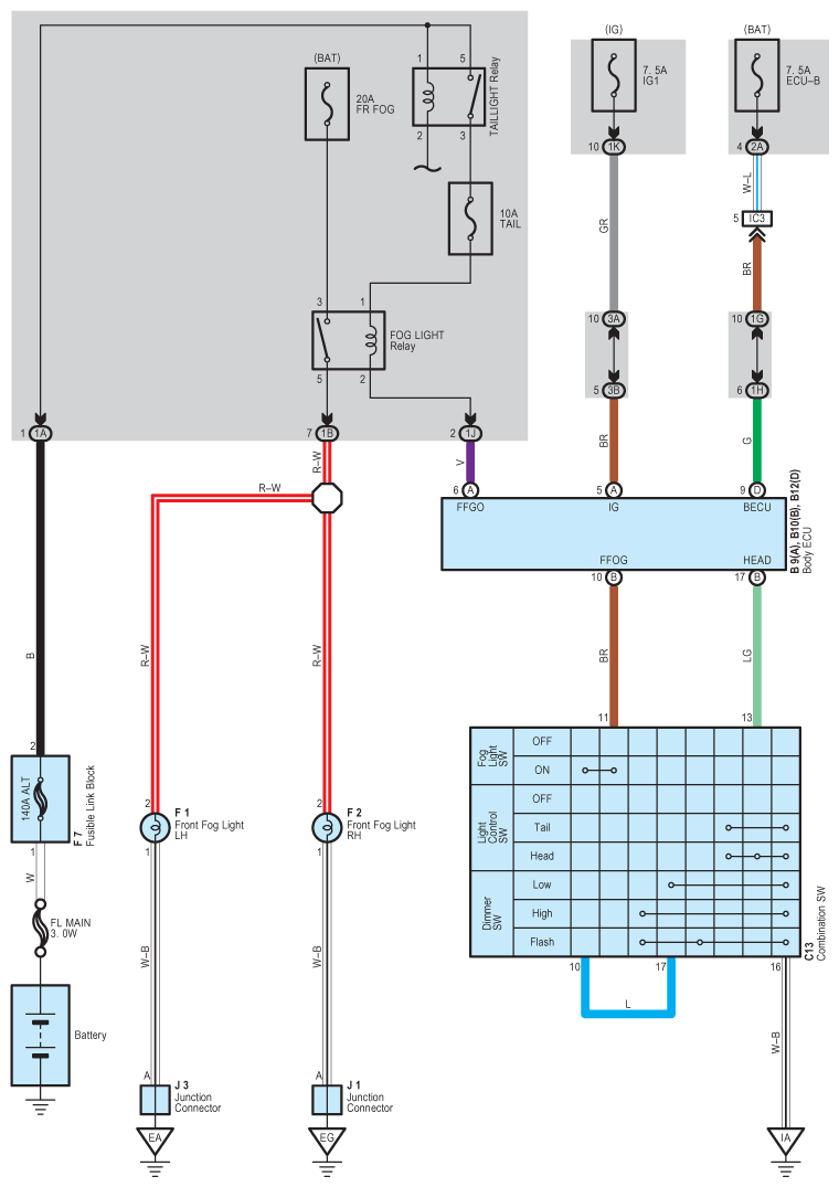
Front Fog Light: Notes

Fig 1: Front Fog Light System Wiring Diagram
G08860907Courtesy of © TOYOTA, LICENSE AGREEMENT TMS1002