lemon-mirror:
Home >> Toyota >> 2007 >> Highlander Limited, FWD >> Repair and Diagnosis >> Electrical >> Body Electrical >> OEM System Circuits >> Power Source >> Notes

Power Source: Notes

Fig 1: Power Source System Wiring Diagram (1 Of 2)
G08860871Courtesy of © TOYOTA, LICENSE AGREEMENT TMS1002
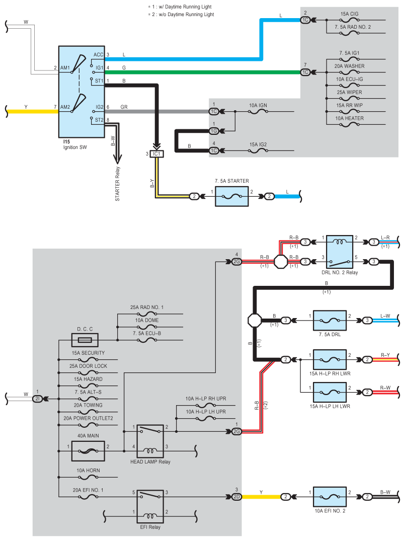
Fig 2: Power Source System Wiring Diagram (2 Of 2)
G08860872Courtesy of © TOYOTA, LICENSE AGREEMENT TMS1002