lemon-mirror:
Home >> Toyota >> 2007 >> Highlander Limited, FWD >> Repair and Diagnosis >> Electrical >> Body Electrical >> OEM System Circuits >> Taillight >> Notes

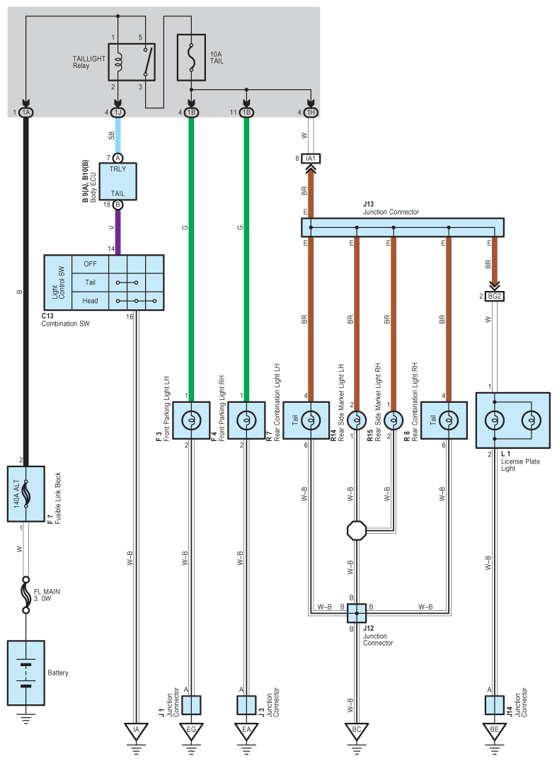
OEM System Circuits: Taillight: Notes

Fig 1: Taillight System Wiring Diagram
G08860908Courtesy of © TOYOTA, LICENSE AGREEMENT TMS1002