lemon-mirror:
Home >> Toyota >> 2007 >> Land Cruiser >> Repair and Diagnosis >> Body & Frame >> Windows >> Windshield/Window Glass >> Power Window Control System >> Power Source Circuit >> Wiring Diagram

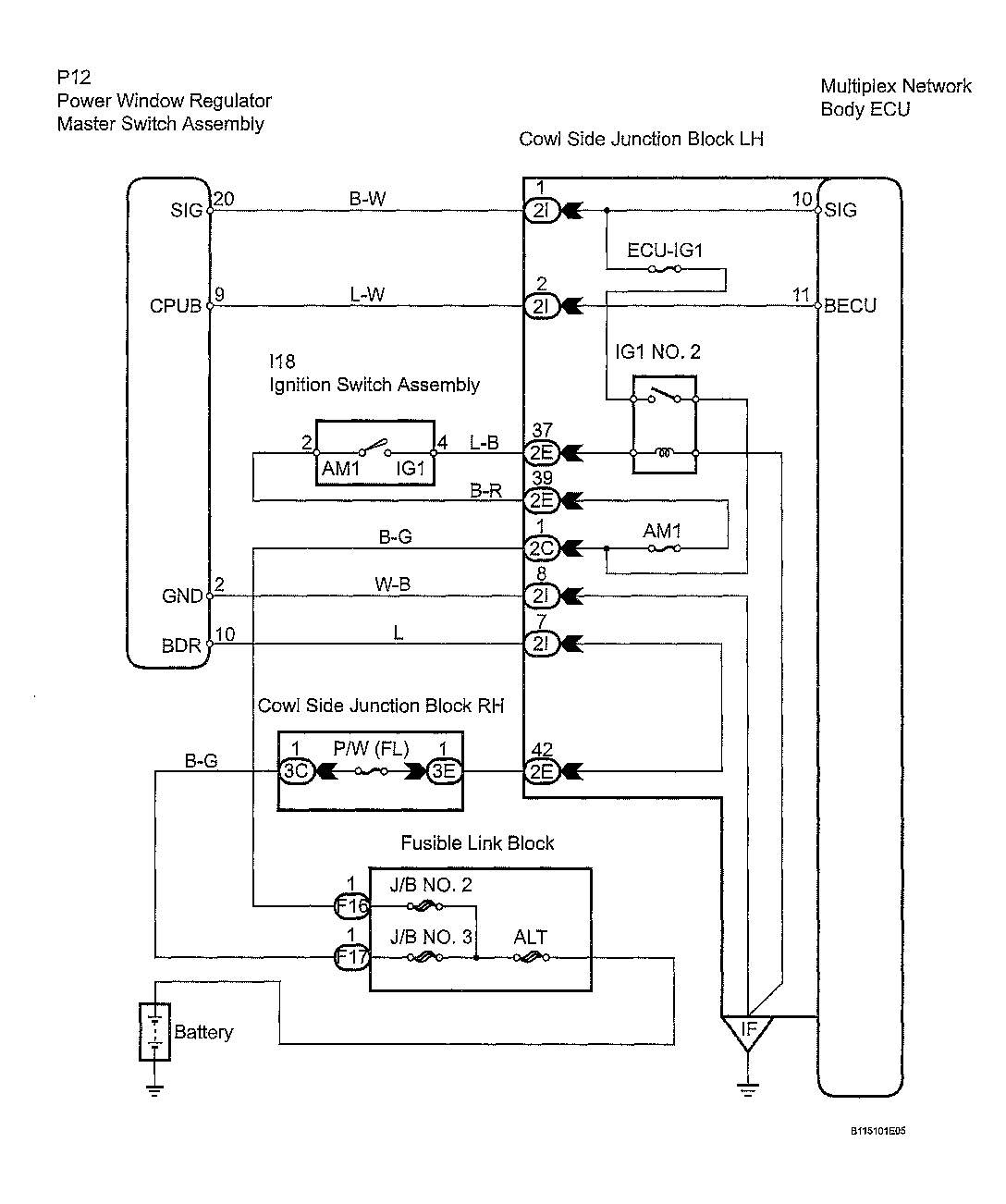
Power Source Circuit: Wiring Diagram

Fig 1: Power Source Wiring Diagram
G00455029Courtesy of © TOYOTA, LICENSE AGREEMENT TMS1002