lemon-mirror:
Home >> Toyota >> 2007 >> Land Cruiser >> Repair and Diagnosis >> Electrical >> Body Electrical >> OEM System Circuits >> Audio System without Navigation System >> Notes

Audio System without Navigation System: Notes

Fig 1: Audio System (Without Navigation System) Wiring Diagram (1 Of 4)
G08783479Courtesy of © TOYOTA, LICENSE AGREEMENT TMS1002
Fig 2: Audio System (Without Navigation System) Wiring Diagram (2 Of 4)
G08783480Courtesy of © TOYOTA, LICENSE AGREEMENT TMS1002
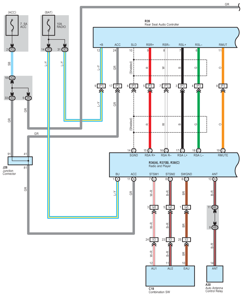
Fig 3: Audio System (Without Navigation System) Wiring Diagram (3 Of 4)
G08783481Courtesy of © TOYOTA, LICENSE AGREEMENT TMS1002
Fig 4: Audio System (Without Navigation System) Wiring Diagram (4 Of 4)
G08783482Courtesy of © TOYOTA, LICENSE AGREEMENT TMS1002